Hyundai Tucson manuels

Руководство по ремонту и обслуживанию автомобилей Hyundai Tucson: принципиальные схемы

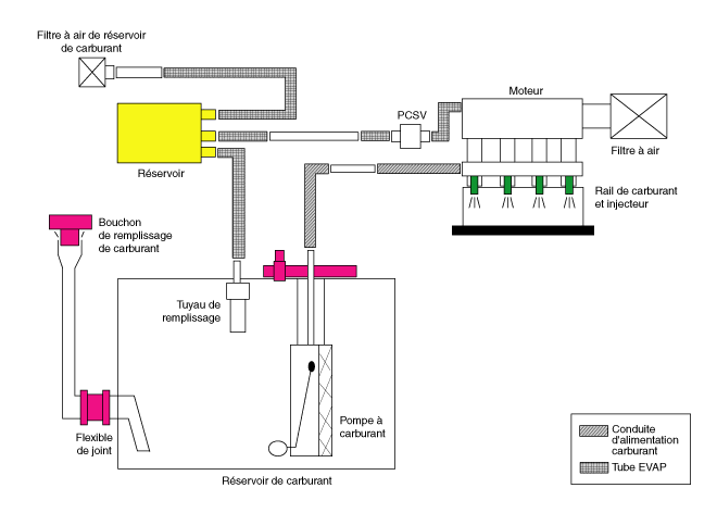
ПРИНЦИПАЛЬНАЯ СХЕМА

водохранилище
Резервуар заполнен активированным углем и поглощает пары в Топливный бак. Пары топлива, скапливающиеся в баке, всасывается во впускной коллектор блоком ECM/PCM, когда условия требуются соответствующие.
ЭЛЕКТРОМАГНИТНЫЙ КЛАПАН УПРАВЛЕНИЯ ПРОДУВКОЙ (PCSV)
Электромагнитный клапан управления продувкой (PCSV) установлен в проходе, соединяющем бачок и впускной коллектор. Это электромагнитный клапан пропорционального типа. и работает с сигналом ECM/PCM.
Для всасывания паров, поглощаемых во впускной коллектор, блок ECM/PCM откроет PCSV, в противном случае проход остается закрытым.
Крышка заливной горловины топливного бака
Зажимная система на резьбовой крышке топливного бака снижает вероятность неправильной установки при закрытии бака. Как только прокладка топливного бака и фланец трубы наполнители соприкасаются, зажимной локатор издает щелкающий звук глухой сигнал, указывающий на то, что крышка правильно установлена.
Описание и работа
Описание Система контроля испарения топлива позволяет избежать скопления паров топлива в баке, испаряя его в атмосферу. Когда ...

Компоненты и расположение компонентов
расположение компонента 1. Электромагнитный клапан управления продувка (PCSV) 2. Паропровод 3. Клапан ОРВР 4. Воздушный фильтр бака топлива...
Другие материалы:

Понижающая передача
Понижающая передача, когда вам нужно снизить скорость в условиях интенсивного движения или подняться в гору холм, чтобы уменьшить нагрузку на двигатель. Переключаясь на более низкую передачу, вы также снижаете риск остановки и можете ускориться. когда вам нужно снова увеличить скорость. Когда автомобиль э...

Работа коробки передач с двойным сцеплением
Коробка передач с двойным сцеплением имеет восемь скоростей переднего хода и одну скорость заднего хода. Индивидуальные скорости выбираются автоматически, когда рычаг переключения передач находится в положении Д (Драйв) позиция. Усовершенствованное двойное сцепление с мокрым сцеплением коробка передач в вашем автомобиле может быть считается автоматически переключающимся ...