Hyundai Tucson manuels

Hyundai Tucson Automotive Service Manual: ГЕНЕРАТОР

Описание и работа

Описание
Генератор состоит из восьми встроенных диодов, роль которых заключается в преобразовании переменного тока в постоянный ток.
Таким образом, постоянный ток выходит из клеммы «В» генератора.
Кроме того, зарядное напряжение этого генератора регулируется системой обнаружение напряжения батареи.
Генератор регулируется системой измерения напряжения аккумуляторной батареи.
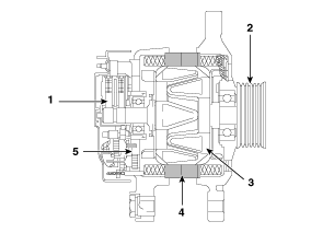
Основными элементами генератора являются ротор, статор, выпрямитель, щетки конденсатора, подшипники и шкив поликлинового ремня.
Щеткодержатель имеет встроенный электронный регулятор напряжения.

1. Метлы
2. Шкив
3. Ротор
4. Статор
5. Выпрямитель

Технические характеристики

Спецификация
ГЕНЕРАТОР
Элемент
Спецификация
Номинальное напряжение
13,5 В, 150 А
Скорость использования
1000 ~ 18000 об/мин
Регулятор напряжения
Встроенный регулятор IC
Напряжение настройки регулятора
внешний режим
См. рисунок ниже
внутренний режим
14,55 ± 0,3 В
Степень температуры
внешний режим
0±3 мВ/°С
внутренний режим
-3,5±2 мВ/°С

※ Настройка напряжения регулирования (внешний режим)

Компоненты и расположение компонентов

КОМПОНЕНТЫ

1. Шкив
2. Передняя крышка
3. Передний подшипник
4. Статор
5. Ротор
6. Подшипник назад
7. Задняя крышка
8. Выпрямитель в сборе
9. Регулятор
10. Задняя крышка

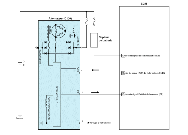
Принципиальные диаграммы

Принципиальная электрическая схема

Сигнал COM — при контроле генерируемого напряжения ECM посылает данные о заданном напряжении генератора через сигнала ШИМ. (Высокое напряжение: 4 В или более, низкое напряжение: 2В или меньше)
FR signal - Сигнал активации транзистора внутри генератора контролирует напряжение, вырабатываемое генератором контролировать ток возбуждения перед отправкой сигнала ФР ЭБУ. (При определенных оборотах/электрических нагрузках соотношение FR может оставаться статичным. Однако чаще всего RPM, электрический заряд, целевое напряжение и т. д. постоянны эволюция в транспортном средстве, поэтому FR также должен измениться постоянно)
Сигнал L — активирует индикатор батареи на приборной панели. плата при неисправности в системе смены барабаны. (Условия свечения индикатора - перегрузка, переразряд, сгоревшая катушка возбуждения внутри генератор)
Клемма B+ — выходное напряжение генератора аккумулятор через клемму B+.

Процедуры ремонта

ДЕПОЗИТ
1.
Отсоедините отрицательную клемму аккумулятора.
2.
Снимите приводной ремень.
(См. Механическая система двигателя — «Приводной ремень»)
3.
Отсоедините разъем генератора (А) и кабель (В) от клемма "В" генератора.

4.
Выверните проходной болт и снимите генератор (А).

СРЕДСТВО
1.
Для установки выполните процедуру, обратную снятию.
2.
После установки отрегулируйте натяжение ремня генератора.
(См. Механическая система двигателя — «Приводной ремень»)
Болт крепления генератора:
[M10] 29,4 ~ 41,2 Н·м (3,0 ~ 4,2 кгс·м, 21,7 ~ 30,4 фунт-фут)
[M8] 21,6 ~ 32,4 Н·м (2,2 ~ 3,3 кгс·м, 15,9 ~ 23,9 фунт-фут)
РАЗБОРКА
1.
Снимите заднюю крышку (А) после откручивания гаек (В).

2.
Снимите крепежные болты (А) и узел регулятора (В).

3.
Снимите направляющую контактного кольца (А), предварительно вытянув ее.

4.
Снимите шкив (А).

5.
Отпаяйте 3 провода статора (A).

6.
Снимите 4 сквозных болта (А).

7.
Отсоедините ротор (А) и корпус (В).

Сборка
1.
Для повторной сборки выполните процедуру, обратную разборке.
При сборке шкива OAD замените его новый колпачок OAD.
Контроль
[Ротор]
1.
Убедитесь, что между кольцами эффективно установлена ​​непрерывность. раздвижной (С).

2.
Убедитесь в отсутствии непрерывности между контактными кольцами. и ротор (B) или вал ротора (A).
3.
Если результат одного из двух испытаний на целостность ротора отрицательный, замените генератор.
[Статор]
4.
Убедитесь в отсутствии непрерывности между каждой парой кабелей. (В).

5.
Убедитесь, что между каждым кабелем и сердечником нет непрерывности. катушки.
6.
Если результат любого из двух тестов целостности катушки отрицательный, замените генератор.
Процедуры ремонта
УПРАВЛЕНИЕ НА АВТОМОБИЛЕ • Сначала проверьте коды DTC. Если код неисправности присутствует, ...

АККУМУЛЯТОР
Описание и работа Описание 1. CMF (необслуживаемая батарея), как следует из названия, не требует обслуживания и не имеет...
Другие материалы:

Использование ESC
Активировать ESC Когда зажигание находится в положении ON, загораются контрольные лампы ESC и ESC OFF. около 3 секунд, затем выключите. После этого активируется ESC. Во время операции При активации ESC мигает соответствующий сигнализатор: Когда ты ...

Компоненты и расположение компонентов
РАСПОЛОЖЕНИЕ КОМПОНЕНТОВ 1. Переключатель звукового сигнала звук 2. Реле звукового сигнала (встроено в печатную плату блока с металлическим сердечником) 3. Рог (низкий) 4. Зуммер (высокий) 5. Спиральная пружина ...