Hyundai Palisade: электрические стеклоподъемники / переключатель стеклоподъемников

Hyundai Palisade (LX2) 2020-2023 Руководство по ремонту / Электрическая система кузова / Электрические стеклоподъемники / Переключатель стеклоподъемника

Компоненты и расположение компонентов
Компоненты
Переключатель стеклоподъемника водителя

Hyundai Palisade. Components and components location

Вспомогательный переключатель стеклоподъемников

Hyundai Palisade. Components and components location

Переключатель заднего стеклоподъемника

Hyundai Palisade. Components and components location

Принципиальные диаграммы
Принципиальная электрическая схема
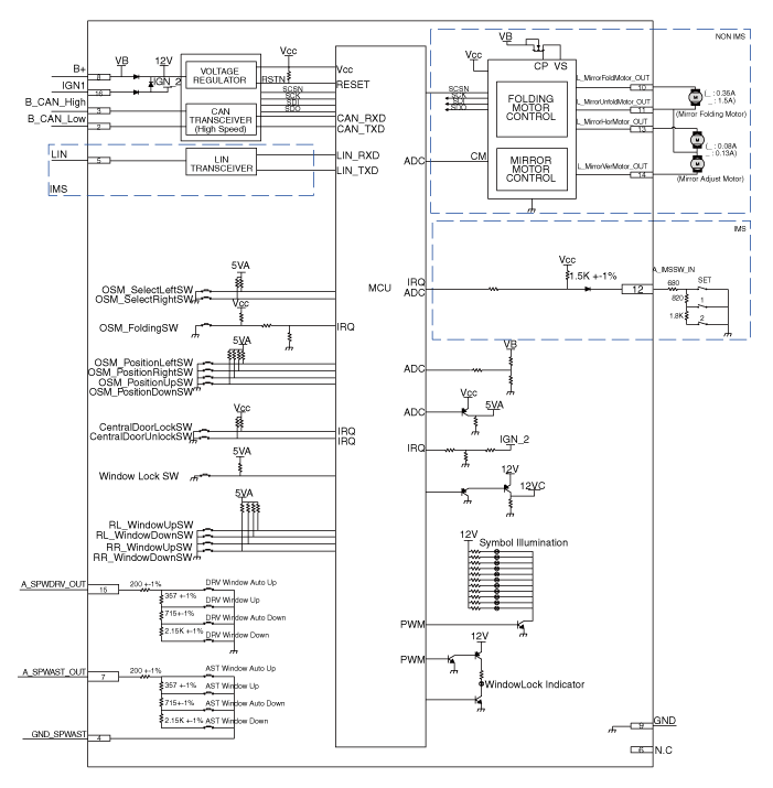
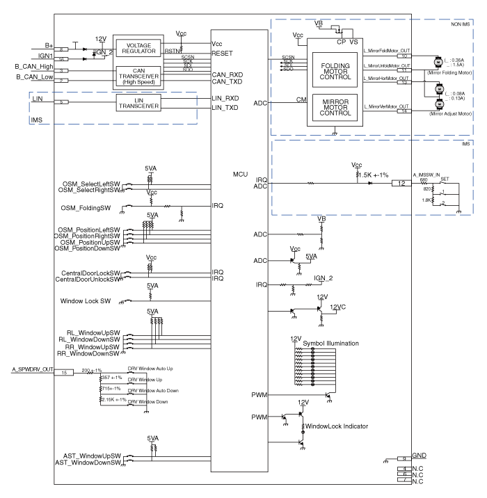
[Переключатель стеклоподъемника водителя]
Выключатель безопасности водителя

Hyundai Palisade. Schematic diagrams

Передний предохранительный выключатель

Hyundai Palisade. Schematic diagrams

ВСЕ предохранительный выключатель

Hyundai Palisade. Schematic diagrams

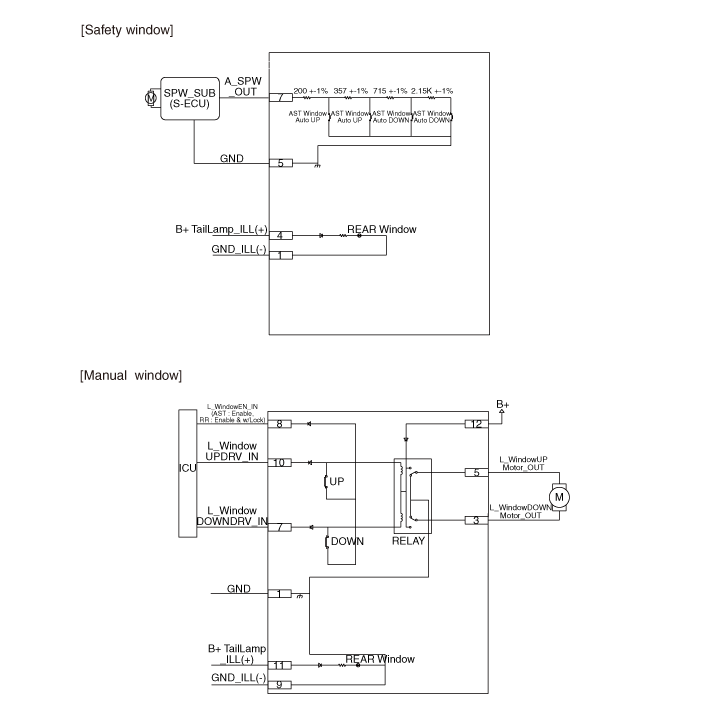
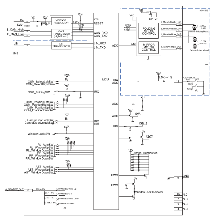
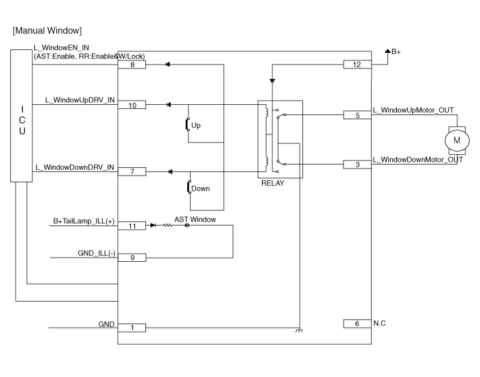
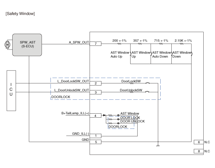
[Вспомогательное переключение стеклоподъемников]

Hyundai Palisade. Schematic diagrams

Hyundai Palisade. Schematic diagrams

[Переключатель заднего стеклоподъемника]

Hyundai Palisade. Schematic diagrams

Процедуры ремонта
Диагностика с помощью диагностики инструмент
Диагностика с помощью диагностического инструмента
1.
В электрической системе тела неисправность можно быстро диагностировать с помощью система диагностики автомобиля (Diagnostic tool).
Система диагностики (инструмент диагностики) предоставляет следующую информацию.
(1)
Поиск кода неисправности: проверка неисправности и кодового номера (DTC)
(2)
Анализ данных: проверка состояния входных/выходных данных системы
(3)
Проверка срабатывания: Проверка состояния работы системы
(4)
S/W Management: Управление другими функциями, включая систему настройка параметров и регулировка нулевой точки
2.
Если диагностировать автомобиль с помощью диагностического инструмента, выберите «Анализ DTC» и "Транспортное средство".

Hyundai Palisade. Repair procedures

3.
Выберите «Анализ данных» и «Модель автомобиля».

Hyundai Palisade. Repair procedures

4.
Выберите «DDM» для поиска текущего состояния входных/выходных данных.

Hyundai Palisade. Repair procedures

Hyundai Palisade. Repair procedures

5.
Чтобы принудительно активировать входное значение проверяемого модуля, выберите опция «Проверка активации».

Hyundai Palisade. Repair procedures

Удаление
Переключатель стеклоподъемника водителя
1.
Отсоедините отрицательную (-) клемму аккумуляторной батареи.
2.
Снимите обивку передней двери.
(См. Кузов — «Облицовка передней двери»)
3.
Отсоедините монтажный зажим, а затем снимите переключатель стеклоподъемника. сборка (А).

Hyundai Palisade. Repair procedures

Вспомогательный переключатель стеклоподъемников
1.
Отсоедините отрицательную (-) клемму аккумуляторной батареи.
2.
Снимите обивку передней двери.
(См. Кузов — «Облицовка передней двери»)
3.
Отсоедините монтажный зажим, а затем снимите переключатель стеклоподъемника. сборка (А).

Hyundai Palisade. Repair procedures

Переключатель заднего стеклоподъемника
1.
Отсоедините отрицательную (-) клемму аккумуляторной батареи.
2.
Снимите обивку задней двери.
(См. Кузов — «Облицовка задней двери»)
3.
Отсоедините монтажный зажим, а затем снимите переключатель стеклоподъемника. сборка (А).

Hyundai Palisade. Repair procedures

Монтаж
Переключатель стеклоподъемника водителя
1.
Установите переключатель стеклоподъемника в сборе.
2.
Установите обивку передней двери после подсоединения разъема.
Вспомогательный переключатель стеклоподъемников
1.
Установите переключатель стеклоподъемника в сборе.
2.
Установите обивку передней двери после подсоединения разъема.
Переключатель заднего стеклоподъемника
1.
Установите переключатель стеклоподъемника в сборе.
2.
Установите обивку задней двери после подсоединения разъема.

Электродвигатель стеклоподъемника

Компоненты и расположение компонентов Компоненты Процедуры ремонта осмотр Электродвигатель переднего стеклоподъемника 1. Отсоедините отрицательную (-) клемму аккумуляторной батареи...

Обогрев заднего стекла

..

Дополнительная информация:

Hyundai Palisade (LX2) 2020-2023 Руководство по техническому обслуживанию: Описание и работа


Описание Экстренный вызов (eCall) Когда происходит авария или обнаруживается запрос пользователя, он уведомляет о вызове центр состояния автомобиля с помощью беспроводной сети, чтобы центр мог оказать необходимую экстренную помощь...

Hyundai Palisade (LX2) 2020-2023 Руководство по техническому обслуживанию: Электромагнитный клапан SS-A (SS-A_ON/OFF)


Описание и работа Описание • Когда TCM подает переменный ток на электромагнитный клапан, электромагнитный клапан работает и регулирует диапазон скоростей. • Электромагнитный клапан SS-A типа ВКЛ/ВЫКЛ...

Категории

Не устанавливайте детское удерживающее устройство на переднем пассажирском сиденье

Hyundai Palisade. in the Front Passenger's Seat

Даже если ваш автомобиль оснащен с OCS никогда не устанавливайте дочерние удерживающее устройство на сиденье переднего пассажира. Надувающаяся подушка безопасности может принудительно ударить ребенка или детское удерживающее устройство в результате при серьезных или смертельных травмах.

читать далее