Hyundai Palisade: система зарядки / генератор

Hyundai Palisade (LX2) 2020-2023 Руководство по ремонту / Электрическая система двигателя / Система зарядки / Генератор

Технические характеристики
Спецификация
Элемент
Спецификация
Номинальное напряжение
13,5 В, 180 А
Скорость в использовании
1500–18 000 об/мин
Регулятор напряжения
IC регулятор встроенного типа
Регулируемое напряжение по умолчанию (В) [клемма COM]
14,09 - 14,91 (-35°С)
13,96 - 15,04 (140°С)
Приколоть
1

Hyundai Palisade. Specifications

Описание и работа
Описание
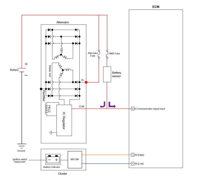
Генератор переменного тока имеет восемь встроенных диодов, каждый из которых преобразует переменный ток в постоянный.
Поэтому на клемме «В» генератора появляется постоянный ток.
Кроме того, зарядное напряжение этого генератора регулируется аккумуляторной батареей. система определения напряжения.
Генератор регулируется системой определения напряжения аккумуляторной батареи.
Основными элементами генератора являются ротор, статор, выпрямитель, конденсатор. щетки, подшипники и шкив поликлинового ремня.
Щеткодержатель содержит встроенный электронный регулятор напряжения.

Hyundai Palisade. Description and operation

1. Кисть
2. Шкив приводного ремня
3. Ротор
4. Статор

Принципиальные диаграммы
Принципиальная электрическая схема

Hyundai Palisade. Schematic diagrams

Hyundai Palisade. Schematic diagrams
Сигнал COM - управление связью LIN
Клемма B+ — Выходное напряжение генератора к аккумулятору через клемму B+.
Процедуры ремонта
Удаление
1.
Выключите зажигание и отсоедините отрицательную (-) клемму аккумуляторной батареи.
2.
Отверните гайку крепления генератора, а затем отсоедините трос (А) от клемма "В" генератора.
3.
Отсоедините разъем генератора (В).

Hyundai Palisade. Repair procedures

4.
Снимите верхний болт генератора (А).
Верхний болт крепления генератора:
49,0–63,7 Н·м (5,0–6,5 кгс·м, 36,2–47,0 фунт-фут)

Hyundai Palisade. Repair procedures

5.
Поднимите автомобиль.
6.
Снимите крышку машинного отделения.
(См. Механическая система двигателя — «Машинное отделение под крышкой»)
7.
Снимите приводной ремень.
(См. Механическая система двигателя — «Приводной ремень»)
8.
Отсоедините разъем ECV компрессора, а затем, ослабив крепление болты, расширьте зазор между компрессором (А) и двигателем, чтобы снять генератор.

Hyundai Palisade. Repair procedures

9.
Снимите нижний болт генератора (А).
Нижний болт крепления генератора:
49,0–63,7 Н·м (5,0–6,5 кгс·м, 36,2–47,0 фунт-фут)

Hyundai Palisade. Repair procedures

10.
Снимите генератор (А).

Hyundai Palisade. Repair procedures

Монтаж
1.
Установите в порядке, обратном снятию.
2.
Установите приводной ремень.
(См. Механическая система двигателя — «Приводной ремень»)

Поиск неисправностей

Поиск неисправностей • Будьте осторожны, чтобы не закоротить проводку кузовом или другими предметами. проводка...

Батарея

Технические характеристики Спецификация Элемент Спецификация Тип модели AGM80L-BCI Емкость [20ч/5ч] (Ач) 80/64 Холодный пусковой ток (А) 800 (САЕ) / 640 (EN) Резервная емкость (мин.) 155 ▷CMF68L-DIN Элемент Спецификация Емкость [20ч / 5ч] (Ач) 68/54 Холодный пусковой ток (А) 600 (САЕ / ЕН) Резервная емкость (мин.) 113 ▷CMF80L-DIN Элемент Спецификация Емкость [20ч / 5ч] (Ач) 80/64 Холодный пусковой ток (А) 660 (САЕ/ЕН) Резервная емкость (мин.) 145 ▷CMF90L-DIN Элемент Спецификация Емкость [20ч / 5ч] (Ач) 90/72 Холодный пусковой ток (А) 740 (САЕ) / 740 (EN) Резервная емкость (мин.) 170 ▷CMF68L-DIN [Открывающийся] Элемент Спецификация Емкость [20ч / 5ч] (Ач) 68/54 Холодный пусковой ток (А) 600 (САЕ / ЕН) Резервная емкость (мин.) 113 ▷CMF80L-DIN [Открывающийся] Элемент Спецификация Емкость [20ч / 5ч] (Ач) 80/64 Холодный пусковой ток (А) 660 (САЕ/ЕН) Резервная емкость (мин.) 145 ▷CMF90L-DIN [Открывающийся] Элемент Спецификация Емкость [20ч / 5ч] (Ач) 90/72 Холодный пусковой ток (А) 740 (САЕ) / 740 (EN) Резервная емкость (мин.) 170 • Описание типа модели • Ампер холодного пуска (CCA): показатель, используемый в аккумуляторной промышленности. определить способность аккумулятора запускать двигатель при низких температурах...

Дополнительная информация:

Руководство по эксплуатации Hyundai Palisade (LX2) 2020-2023: Система климат-контроля с ручным управлением


Для предотвращения запотевания внутренней поверхности ветрового стекла 1. Выберите любую скорость вентилятора, кроме «0». позиция. 2. Выберите желаемую температуру. 3. Выберите или позиция. 4. Режим свежести будет выбран автоматически. Кроме того, кондиционер будет работать автоматически, если режим выбирается на позиция...

Hyundai Palisade (LX2) 2020-2023 Руководство по техническому обслуживанию: Комплектующие и расположение узлов


..

Категории

Условия раскрытия подушки безопасности

Hyundai Palisade. Air bag inflation conditions

Фронтальные подушки безопасности

Фронтальные подушки безопасности и колени водителя подушки безопасности предназначены для надувания в лобовое столкновение в зависимости от тяжесть последствий лобового столкновения.

Hyundai Palisade. Air bag inflation conditions

Hyundai Palisade. Air bag inflation conditions

читать далее