Hyundai Kona: Система контроля улавливания паров топлива / Принципиальные схемы

Схематическая диаграмма

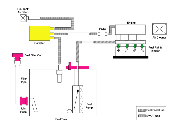
Канистра
Канистра заполнена древесным углем и поглощает испарившиеся пары топлива из топливный бак. Собранные пары топлива в адсорбере всасываются во впускной патрубок. коллектор с помощью ECM/PCM, когда установлены соответствующие условия.
Электромагнитный клапан управления продувкой (PCSV)
Электромагнитный клапан управления продувкой (PCSV) установлен в проходе, соединяющем бачок во впускной коллектор. Это электромагнитный клапан рабочего типа, управляется сигналом ECM/PCM.
Чтобы всосать поглощенный пар во впускной коллектор, ECM/PCM открывает клапан. PCSV, иначе проход останется закрытым.
Крышка топливного бака
Храповое затяжное устройство в резьбовой крышке топливного бака снижает шансы неправильной установки, при пломбировании заливной горловины. После прокладки на крышка топливного бака и фланец заливной горловины соприкасаются, храповик производит громкий щелчок, указывающий на то, что уплотнение установлено.
Описание и работа
Описание Система контроля выбросов паров топлива предотвращает накопление паров топлива в топливном баке. от испарения в атмосферу. Когда топливо испаряется в топливном баке, ва ...

Процедуры ремонта
осмотр [Проверка системы] 1. Отсоедините паровой шланг от впускного коллектора и подсоедините вакуумный насос к ниппелю на впускном коллекторе. ...
Дополнительная информация:

Hyundai Kona (OS) 2018-2023 Руководство по обслуживанию: Устранение неисправностей
Диагностика отказа 1. В принципе, управление ESP и TCS запрещено при отказе ABS. 2. При выходе из строя ESP или TCS запрещается только неисправное управление системой. 3. Однако, когда реле электромагнитного клапана с...

Hyundai Kona (OS) 2018-2023 Руководство по эксплуатации: Распределение герметика
9. Немедленно проедьте примерно 7–10 км (4–6 миль или около 10 минут), чтобы равномерно распределите герметик по шине. Не превышайте скорость 80 км/ч (50 миль/ч). По возможности не опускайтесь ниже скорости 20 км/ч (12 миль/ч). Если во время вождения вы почувствуете необычную вибрацию, помеха или...