Hyundai Kona: электрические схемы стеклоочистителя/омывателя/датчика дождя

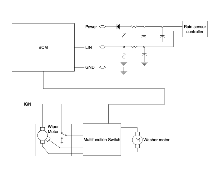
Принципиальная электрическая схема

Датчик дождя Описание и работа
Описание Встроенный датчик дождя Встроенный датчик дождя (А) управляет тремя системами: передним стеклоочистителем, автоматическим освещением, и центральный кондиционер. 1. ...

Процедуры ремонта датчика дождя
Удаление • Не повреждайте силикон (связующая среда) и не прикасайтесь к нему...
Дополнительная информация:

Hyundai Kona (OS) 2018-2023 Service Manual: Комплектующие и расположение узлов
Компоненты 1. Ветровое стекло 2. Накладка на лобовое стекло ...

Hyundai Kona (OS) 2018-2023 Руководство по эксплуатации: Автостоп
Для остановки двигателя в режиме холостого хода Автомобиль с механической коробкой передач 1. Уменьшите скорость автомобиля до 5 км/ч (3 мили в час). 2. Установите передачу в положение N (нейтральное). 3. Отпустите педаль сцепления. Индикатор автостопа () загорается зеленым цветом на комбинации приборов при остановке двигателя. Информация Вождение с ...