Hyundai Kona: электрические стеклоподъемники / электростеклоподъемники принципиальные схемы

Принципиальная электрическая схема
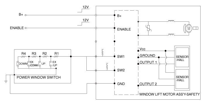
Мотор безопасного окна

Стандартный стеклоподъемник

Электродвигатель стеклоподъемника Компоненты и расположение компонентов
Компоненты ...

Процедуры ремонта электродвигателя стеклоподъемника
Осмотр    • Оберните инструмент защитной лентой, чтобы разобрать ...
Дополнительная информация:

Hyundai Kona (OS) 2018-2023 Service Manual: Описание и работа
Функция силы безопасности Окно Когда переключатель автоматического подъема стеклоподъемника двери водителя задействован, функция безопасности активирован. 1. Состояние функции безопасности При обнаружении силы 100 Н (с использованием пружины 10 Н/мм) во время окно поднимается...

Hyundai Kona (OS) 2018-2023 Руководство по обслуживанию: Процедуры ремонта масляного поддона
Удаление 1. Снимите нижнюю крышку. (См. Двигатель и трансмиссия в сборе — «Под крышкой двигателя») 2. Слейте моторное масло. (См. Система смазки — «Моторное масло») 3. С использованием ...