Hyundai Kona: схема ISG (Idle Stop & Go) / преобразователь постоянного тока в постоянный

Hyundai Kona (OS) 2018-2023 Руководство по эксплуатации / Управление двигателем/топливная система / Система ISG (Idle Stop & Go) / Принципиальные схемы преобразователя постоянного тока в постоянный

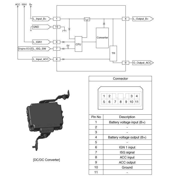
Принципиальная электрическая схема
[200 Вт]

[450 Вт]

Преобразователь постоянного тока в постоянный Компоненты и расположение компонентов
Расположение компонента 1. Преобразователь постоянного тока в постоянный [450 Вт] 2. Преобразователь постоянного тока в постоянный [200 Вт] ...

Процедуры ремонта преобразователя постоянного тока в постоянный
Удаление [200 Вт] 1. Выключите зажигание и отсоедините отрицательный (-) аккумулятор. Терминал. 2. Снимите нижний поддон аварийной подушки...
Дополнительная информация:

Hyundai Kona (OS) 2018-2023 Service Manual: Внешнее зеркало заднего вида Компоненты и расположение компонентов
Расположение компонента 1. Наружное зеркало заднего вида ...

Hyundai Kona (OS) 2018-2023 Руководство по обслуживанию: Устранение неисправностей
Поиск неисправностей Симптом Подозрительная область Средство Пропуски зажигания в двигателе с ненормальным внутренним низким шумом двигателя. Ослаблен или неправильно установлен маховик двигателя. При необходимости отремонтируйте или замените маховик. ...