Hyundai Kona: Схема системы зарядки / DC/DC преобразователь

Hyundai Kona (OS) 2018-2023 Руководство по эксплуатации / Электрическая система двигателя / Система зарядки / Принципиальные схемы преобразователя постоянного тока в постоянный

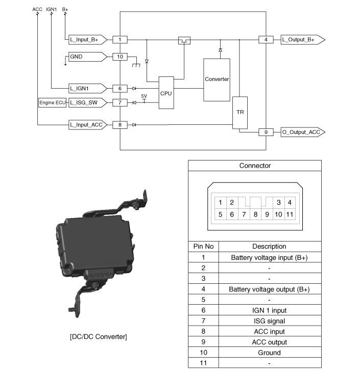
Принципиальная электрическая схема
[200 Вт]

[450 Вт]

Преобразователь постоянного тока в постоянный Компоненты и расположение компонентов
Расположение компонента 1. Преобразователь постоянного тока в постоянный [450 Вт] 2. Преобразователь постоянного тока в постоянный [200 Вт] ...

Процедуры ремонта преобразователя постоянного тока в постоянный
Удаление [200 Вт] 1. Выключите зажигание и отсоедините отрицательный (-) аккумулятор. Терминал. 2. Снимите нижний поддон аварийной подушки...
Дополнительная информация:

Руководство по эксплуатации Ford Fusion 2013–2020: Дверные замки с электроприводом
Управление дверным замком с электроприводом находится на стороне водителя. и дверные панели переднего пассажира. Разблокировать. Замок. Индикатор дверного замка Светодиод на обшивке окна двери загорается, когда вы запираете дверь. Это светится до пяти минут после выключения зажигания. Ингибитор выключателя дверного замка Когда ...

Hyundai Kona (OS) 2018-2023 Руководство по обслуживанию: Процедуры ремонта антенной катушки
Удаление 1. Отсоедините отрицательную (-) клемму аккумуляторной батареи. 2. Снимите панель кожуха рулевой колонки. (См. Кузов — «Панель кожуха рулевой колонки») 3. Отключить ...