Hyundai i-20 manuels

Hyundai i-20 (GB) 2014-2023 Автосервис Руководство: Схемы схемы

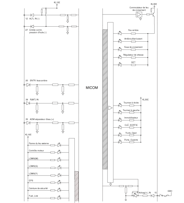
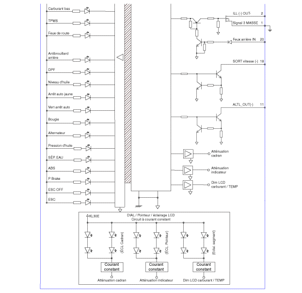
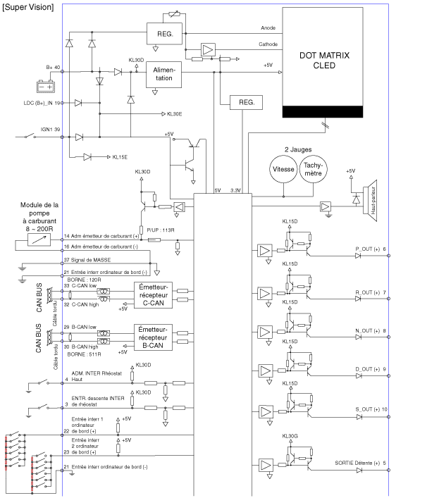
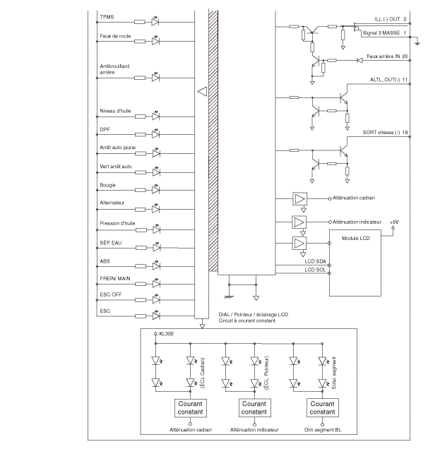
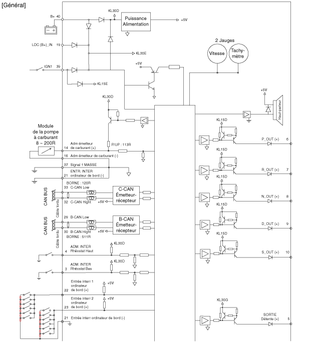
Принципиальная электрическая схема

Принципиальные диаграммы
Принципиальная электрическая схема ...

Дверные замки с электроприводом
...
Другие материалы:

Процедуры ремонта резервуара
ДЕПОЗИТ 1. Снимите топливный насос. (См. Топливная система — «Топливный насос».) 2. Отсоедините разъем электродвигателя топливного насоса (А) и разъем модуля...

Почему моя подушка безопасности не сработала при столкновении?
Подушки безопасности не рассчитаны на срабатывание при каждом столкновении. Некоторые типы аварий не требуют срабатывания подушки безопасности. что не дает никакой дополнительной защиты. К ним относятся шоки сзади, секунды или...