Hyundai i-20 manuels

Hyundai i-20 (GB) 2014-2023 Автосервис Руководство: Схемы двигателя STARTER

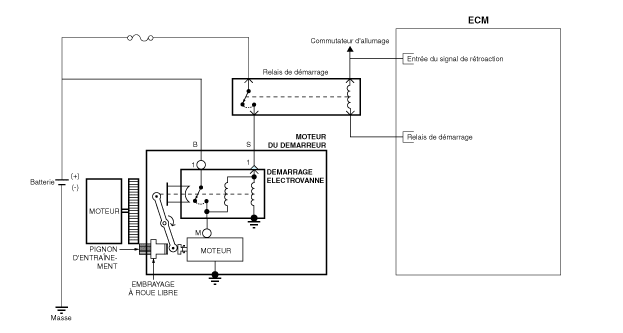
Принципиальная электрическая схема

СТАРТЕР Описание и работа
Описание Система запуска включает в себя аккумуляторную батарею, стартер, выключатель выключатель зажигания, электромагнитный выключатель, выключатель зажигания (A/T), переключатель ...

СТАРТЕР Методы ремонта
ДЕПОЗИТ 1. Поверните ключ зажигания в положение OFF и отсоедините клемму отрицательный (-) аккумулятор. 2. Демонтировать...
Другие материалы:

Проверка уровня жидкости тормозов/сцепления
Двигайтесь налево Правый руль Регулярно проверяйте уровень жидкости в бачке. Уровень жидкость должна находиться между отметками «MIN» и «MAX» на сторона танка. Перед снятием крышки бака и добавлением...

Компоненты и расположение компонентов
КОМПОНЕНТЫ ИНФОРМАЦИЯ О ШТЫРНОМ РАЗЪЕМЕ НЕТ Описание НЕТ Описание 1 масса 21 Вход дневного переключателя (-) 2 ЭКЛ ...