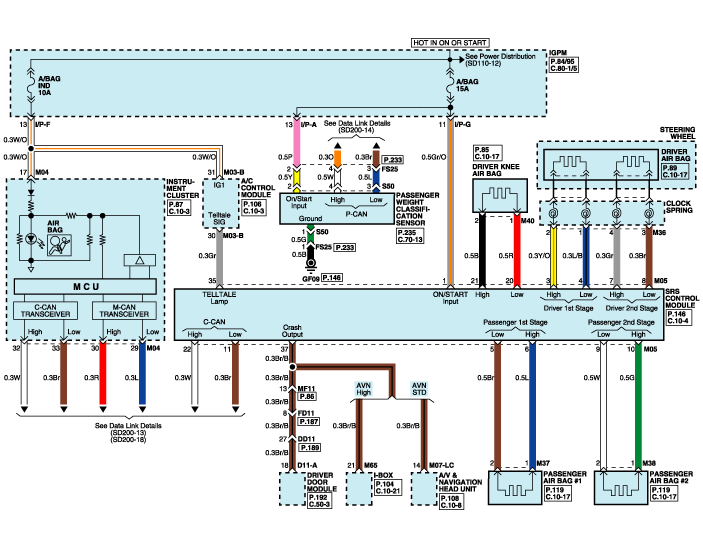
Hyundai Genesis: SRSCM / Принципиальные схемы

Принципиальная схема (1)

Принципиальная схема (2)

Принципиальная схема (3)

Терминал разъема SRSCM

Нет.
Функция (разъем А)
Нет.
Функция (разъем B)
1
IGN
1
Втягивающий натяжитель-Передний,
Драйвер-Высокий (+)
2
-
2
Втягивающий натяжитель-Передний,
Драйвер-Низкий (-)
3
Подушка безопасности водителя 1-я ступень-высокая (+)
3
Втягивающее устройство предварительного натяжения-Передний,Пассажирский-Низкий (-)
4
Подушка безопасности водителя 1-я ступень-низкая (-)
4
Втягивающее устройство предварительного натяжения-Передний,Пассажирский-Высокий (-)
5
Подушка безопасности пассажира (1-я ступень - Низкая)
5
-
6
Подушка безопасности пассажира (1-я ступень — высокая)
6
-
7
Подушка безопасности водителя 2-я ступень-высокая (+)
7
-
8
Подушка безопасности водителя 2-я ступень-Низкая (-)
8
-
9
Подушка безопасности пассажира 2-я ступень - Низкая (-)
9
Боковая подушка безопасности-Передняя,Водительская-Высокая (+)
10
Подушка безопасности пассажира 2-я ступень - Высокая (+)
10
Боковая подушка безопасности-Передняя,Водительская-Низкая (+)
11
C-CAN-НИЗКИЙ (-)
11
ЗАЗЕМЛЕНИЕ
12
-
12
Боковая подушка безопасности-Передняя,Водительская-Пассажирская-Высокая (+)
13
-
13
Боковая подушка безопасности-Передняя,Водительская-Пассажирская-
Низкий (-) (+)
14
-
14
Боковая подушка безопасности-Задняя,Водительская-Низкая
15
-
15
Боковая подушка безопасности-Задняя,Водительская-Высокая
16
-
16
Боковая подушка безопасности-Задняя,Пассажирская-Высокая (+)
17
-
17
Боковая подушка безопасности-Задняя,Пассажирская-Низкая (-)
18
Активная вентиляция подушки безопасности пассажира — высокая (+)
18
-
19
Активная вентиляция подушки безопасности пассажира — Низкая (-)
19
-
20
Коленная подушка безопасности водителя-низкая (-)
20
-
21
Коленная подушка безопасности водителя-высокая (+)
21
-
22
C-CAN-высокий (+)
22
P-CAN-НИЗКИЙ (-)
23
-
23
Шторка безопасности Driver-High
24
-
24
Шторка безопасности водителя-низкая
25
-
25
Шторка безопасности пассажира-низкая (-)
26
-
26
Шторка безопасности пассажира-высокая (+)
27
-
27
-
28
-
28
Датчик бокового удара-Задний,Водитель-Высокий (+)
29
-
29
Датчик бокового удара-Задний,Водитель-Низкий (-)
30
-
30
-
31
-
31
-
32
Преднатяжитель анкера-Driver-High (+)
32
Датчик пряжки ремня безопасности — передний, водительский
33
Преднатяжитель якоря-Водитель-Низкий (-)
33
P-CAN-ВЫСОКИЙ (+)
34
-
34
Датчик бокового удара-Front, Driver-High (+)
35
Контрольная лампа
35
Датчик бокового удара-Передний,Водитель-Низкий (-)
36
-
36
Датчик бокового удара-Передний,Пассажирский-Высокий (+)
37
Вывод сбоя
37
Датчик бокового удара-Передний,Пассажирский-Низкий (-)
38
Пассажирский СБР
38
Давление датчика бокового удара-водитель-высокий (+)
39
Датчик лобового столкновения-Водитель-Высокий (+)
39
Давление датчика бокового удара-Водитель-Низкий (-)
40
Датчик лобового столкновения-Водитель-Низкий (-)
40
Давление датчика бокового удара-Пассажир-Высокое (+)
41
Датчик лобового столкновения-Пассажир-Высокий (+)
41
Давление датчика бокового удара-Пассажир-Низкое (-)
42
Датчик лобового столкновения-Пассажир-Низкий (-)
42
Датчик бокового удара-Задний,Пассажирский-Высокий (+)
43
Преднатяжитель якоря-Пассажирский-Высокий (+)
43
Датчик бокового удара-Задний,Пассажирский-Низкий (-)
44
Преднатяжитель якоря-пассажирский-низкий (-)
44
Датчик замка ремня безопасности-Передний,Пассажирский

Процедуры ремонта системы классификации пассажиров (OCS)
Удаление ЭБУ OCS 1. Отсоедините отрицательный кабель аккумуляторной батареи и подождите не менее трех минут перед началом работы. 2. Снимите переднее пассажирское сиденье в сборе. (См. Кузов - "Переднее сиденье...
Модуль подушки безопасности
...
Дополнительная информация:

Hyundai Genesis (DH) 2013-2016 Руководство по обслуживанию: Процедуры ремонта модуля передней двери


Замена 1. Снимите стекло передней двери. (См. Передняя дверь — «Оконное стекло передней двери») 2. Снимите наружную ручку передней двери. (См. Передняя дверь — «Внешняя ручка передней двери») 3. Ослабьте болт крепления основания наружной ручки передней двери (А). 4. Отключите внешний...

Hyundai Genesis (DH) 2013-2016 Руководство по эксплуатации: Автономное экстренное торможение (AEB)


Автономная чрезвычайная ситуация Торможение (AEB) помогает избежать аварий раннее выявление критических ситуаций и предупреждение водителя. ПРЕДУПРЕЖДЕНИЕ Примите следующие меры предосторожности при использовании автономного Аварийное торможение (AEB): Эта система является лишь дополнительным система и это не намереваться ...