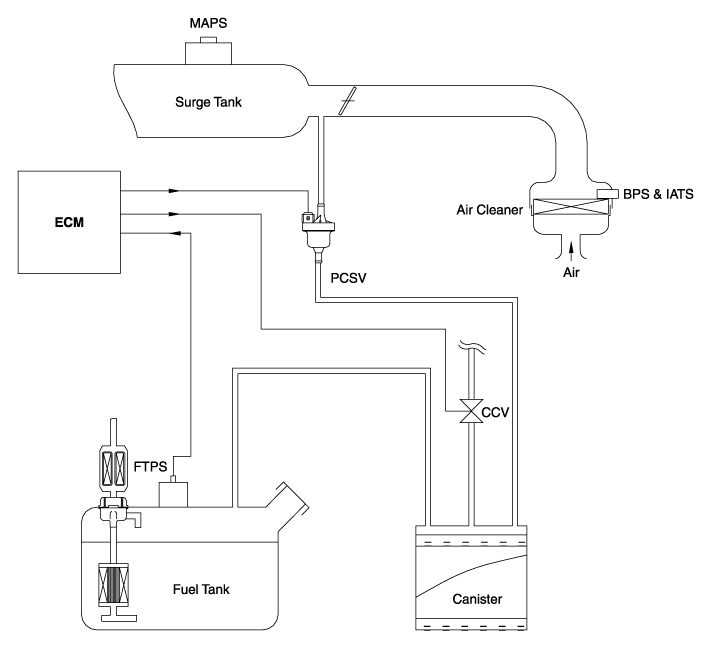
Hyundai Genesis: система контроля выбросов паров топлива / принципиальные схемы

Схематическая диаграмма

MAFS: датчик массового расхода воздуха
КАРТЫ: датчик абсолютного давления во впускном коллекторе
PCSV : Электромагнитный клапан управления продувкой
FTPS: датчик давления в топливном баке
CCV: Клапан закрытия канистры
Система контроля выбросов паров топлива
...
Процедуры ремонта
осмотр [Проверка системы] 1. Отсоедините паровой шланг от корпуса дроссельной заслонки и подсоедините вакуумный насос к ниппелю на корпусе дроссельной заслонки. 2. С помощью вакуумного насоса проверьте следующее...
Дополнительная информация:

Hyundai Genesis (DH) 2013-2016 Руководство по техническому обслуживанию: Компрессорное масло Процедуры ремонта


Спецификация масла 1. Для системы HFC-134a требуется синтетическое (ПАГ) компрессорное масло. тогда как для системы R-12 требуется минеральное компрессорное масло. Два масла никогда нельзя смешивать. 2. Компрессорное масло (PAG) зависит от модели компрессора. Обязательно используйте масло, указанное для модели компрессора. ...

Hyundai Genesis (DH) 2013-2016 Service Manual: Компоненты и расположение компонентов


Компоненты 1. Модуль подушки безопасности 2. Выключатель дистанционного управления 3. Рулевое колесо 4. Проводка 5. Нижняя крышка...