Hyundai Genesis: схематические схемы системы управления двигателем / модуля управления двигателем (ECM)

Терминал ECM и входной/выходной сигнал

Функция терминала ЕСМ
Соединитель [E100-A]
Пин №
Описание
Подключен к
1
-
?
2
-
?
3
-
?
4
-

5
Силовая земля
Заземление
6
Силовая земля
Заземление
7
-
?
8
-
?
9
2-й CAN [высокий]
Многоцелевой контрольный разъем
10
МОЖЕТ [высокий]
Другой модуль управления, разъем канала передачи данных (DLC), универсальный контрольный разъем
11
Вход сигнала датчика давления в топливном баке (FTPS)
Датчик давления в топливном баке (FTPS)
12
-

13
Входной сигнал реле давления масла
Датчик давления масла (OPS)
14
Питание датчика (+5В)
Датчик положения акселератора (APS) 1
15
Питание датчика (+5В)
Датчик давления кондиционера (APT)
Датчик давления масла (OPS)
Датчик давления в рампе (RPS)
16
-

17
-

18
-
?
19
-
?
20
-

21
Вход сигнала переключателя тормоза 2
Тормозной переключатель
22
-
?
23
-
?
24
Вход сигнала ШИМ генератора [FR]
Генератор
25
-

26
-
?
27
Мощность батареи (В+)
Выключатель зажигания
28
Входной сигнал датчика давления в рампе (RPS)
Датчик давления в рампе (RPS)
29
-
?
30
Силовая земля
Заземление
31
-
?
32
-
?
33
-
?
34
2-й CAN [Низкий]
Многоцелевой контрольный разъем
35
МОЖЕТ [Низкий]
Другой модуль управления, разъем канала передачи данных (DLC), универсальный контрольный разъем
36
-
?
37
Масса датчика
Датчик давления в рампе (RPS)
38
Датчик положения акселератора (APS) 1 вход сигнала
Датчик положения акселератора (APS) 1
39
-
?
40
-
?
41
-

42
-

43
Вход сигнала стоп-сигнала
Стоп-сигнал
44
-
?
45
-
?
46
-
?
47
-
?
48
-

49
-
?
50
-
?
51
-
?
52
Мощность батареи (В+)
Батарея
53
-
?
54
-
?
55
Силовая земля
Заземление
56
-
?
57
-

58
-
?
59
Масса датчика
Датчик положения акселератора (APS) 2
60
Масса датчика
Датчик положения акселератора (APS) 1
61
Масса датчика
Датчик давления в топливном баке (FTPS)
Датчик давления масла (OPS)
62
-

63
Масса датчика
Датчик давления кондиционера (APT)
64
-
?
65
Питание датчика (+5В)
Датчик давления в топливном баке (FTPS)
66
-

67
Вход сигнала датчика давления кондиционера (APT)
Датчик давления кондиционера (APT)
68
Вход сигнала датчика положения акселератора (APS) 2
Датчик положения акселератора (APS) 2
69
Входной сигнал датчика давления рулевого управления с усилителем (PSPS)

70
Выходной сигнал частоты вращения двигателя
Модуль распределения питания (PDM)
71
Реле охлаждающего вентилятора [высокий] управляющий выход
Реле вентилятора охлаждения [высокий уровень]
72
Выход сигнала ШИМ генератора (COM)
Генератор
73
-
?
74
Линия связи иммобилайзера
Модуль управления смарт-ключом
75
Мощность батареи (В+)
Главное реле
76
-
?
77
Мощность батареи (В+)
Батарея
78
-

79
-
?
80
Силовая земля
Заземление
81
-
?
82
-
?
83
-
?
84
-
?
85
-
?
86
-
?
87
LIN (локальная сеть межсоединений) Линия последовательной шины
Датчик батареи
88
-
?
89
-
?
90
Питание датчика (+5В)
Датчик положения акселератора (APS) 2
91
-

92
-
?
93
Выход управления реле стартера
Реле стартера
94
Выход управления главным реле
Главное реле
95
Выход управления реле топливного насоса
Реле топливного насоса
96
Выход управления клапаном закрытия адсорбера (CCV)
Клапан закрытия канистры (CCV)
97
-
?
98
Двухступенчатый масляный насос
Электромагнитный клапан регулируемого впуска (VIS) 2
99
Мощность батареи (В+)
Главное реле
100
Мощность батареи (В+)
Главное реле

Соединитель [C100-B]
Пин №
Описание
Подключен к
1
-
?
2
-

3
-
?
4
-
?
5
Питание датчика (+5В)
Датчик положения распределительного вала (CMPS) [ряд 1/впускной]
Датчик положения распределительного вала (CMPS) [ряд 2/выхлоп]
6
Питание датчика (+5В)
Датчик положения дроссельной заслонки (TPS)
7
-
?
8
Выходной сигнал запроса запуска
Модуль распределения питания (PDM)
9
Вход сигнала датчика барометрического давления (BPS)
Датчик барометрического давления (ДДД)
10
Вход сигнала датчика температуры масла CVVT (OTS)
Датчик температуры масла CVVT (OTS)
11
-

12
Датчик положения дроссельной заслонки (TPS) 1 сигнальный вход
Датчик положения дроссельной заслонки (TPS) 1
13
Вход сигнала датчика абсолютного давления в коллекторе (MAPS)
Датчик абсолютного давления во впускном коллекторе (MAPS)
14
Вход сигнала датчика температуры впускного воздуха (IATS)
Датчик температуры впускного воздуха (IATS)
15
Вход сигнала скорости автомобиля
Модуль управления VDC
16
Датчик детонации (KS) [Банк 2] [Высокий] вход сигнала
Датчик детонации (KS) [Банк 2]
17
Датчик детонации (KS) [Банк 1] [Высокий] вход сигнала
Датчик детонации (KS) [Банк 1]
18
Датчик положения коленчатого вала (CKPS) [высокий] входной сигнал
Датчик положения коленчатого вала (CKPS)
19
-

20
-

21
Вход сигнала датчика положения распределительного вала (CMPS) [ряд 2/впуск]
Датчик положения распределительного вала (CMPS) [ряд 2/впускной]
22
-
?
23
-
?
24
Выход управления катушкой зажигания (цилиндр №1)
Катушка зажигания (цилиндр №1)
25
-
?
26
-
?
27
-
?
28
-
?
29
-
?
30
-
?
31
Масса датчика
Датчик положения дроссельной заслонки (TPS) 1
32
Масса датчика
Датчик положения распределительного вала (CMPS) [ряд 1/впускной]
Датчик положения распределительного вала (CMPS) [ряд 2/выхлоп]
33
Масса датчика
Датчик кислорода с подогревом (HO2S) [ряд 2/датчик 2]
34
Вход сигнала датчика положения дроссельной заслонки (TPS) 2
Датчик положения дроссельной заслонки (TPS) 2
35
Вход сигнала датчика температуры охлаждающей жидкости двигателя (ECTS)
Датчик температуры охлаждающей жидкости двигателя (ECTS)
36
-
?
37
-
?
38
Подогреваемый кислородный датчик (HO2S) [ряд 1/датчик 1] сигнальный вход
Датчик кислорода с подогревом (HO2S) [ряд 1/датчик 1]
39
Масса датчика
Датчик кислорода с подогревом (HO2S) [ряд 1/датчик 1]
40
Сенсорный экран
Датчик положения коленчатого вала (CKPS)
Датчик детонации (KS) №1 [ряд 1]
Датчик детонации (КС) №2 [Банк 2]
41
Датчик детонации (KS) [Банк 2] [Низкий] вход сигнала
Датчик детонации (KS) [Банк 2]
42
Датчик детонации (KS) [Банк 1] [Низкий] вход сигнала
Датчик детонации (KS) [Банк 1]
43
Датчик положения коленчатого вала (CKPS) [Низкий] входной сигнал
Датчик положения коленчатого вала (CKPS)
44
Масса датчика
Датчик положения распределительного вала (CMPS) [ряд 1/выпуск]
Датчик положения распределительного вала (CMPS) [ряд 2/впускной]
45
-
?
46
Вход сигнала датчика положения распределительного вала (CMPS) [ряд 2/выпуск]
Датчик положения распределительного вала (CMPS) [ряд 2/выхлоп]
47
-
?
48
Питание датчика (+5В)
Датчик барометрического давления (ДДД)
Датчик абсолютного давления во впускном коллекторе (MAPS)
49
Выход управления катушкой зажигания (цилиндр №3)
Катушка зажигания (цилиндр №3)
50
-
?
51
-
?
52
-
?
53
-
?
54
-
?
55
-
?
56
Масса датчика
Датчик барометрического давления (ДДД)
Датчик абсолютного давления во впускном коллекторе (MAPS)
Датчик температуры охлаждающей жидкости двигателя (ECTS)
57
-
?
58
Подогреваемый кислородный датчик (HO2S) [ряд 2/датчик 2] сигнальный вход
Датчик кислорода с подогревом (HO2S) [ряд 2/датчик 2]
59
Датчик кислорода с подогревом (HO2S) [ряд 1/датчик 2] входной сигнал
Датчик кислорода с подогревом (HO2S) [ряд 1/датчик 2]
60
Масса датчика
Датчик кислорода с подогревом (HO2S) [ряд 1/датчик 2]
61
-
?
62
-
?
63
Подогреваемый кислородный датчик (HO2S) [ряд 2/датчик 1] сигнальный вход
Датчик кислорода с подогревом (HO2S) [ряд 2/датчик 1]
64
Масса датчика
Датчик кислорода с подогревом (HO2S) [ряд 2/датчик 1]
65
Выход управления электромагнитным клапаном 1 регулируемого впуска (VIS)
Электромагнитный клапан переменного впуска (VIS) 1
66
Выход управления электромагнитным клапаном управления продувкой (PCSV)
Электромагнитный клапан управления продувкой (PCSV)
67
-
?
68
-
?
69
Выход управления электромагнитным клапаном 2 регулируемого впуска (VIS)
Электромагнитный клапан переменного впуска (VIS) 2
70
Вход сигнала датчика положения распределительного вала (CMPS) [ряд 1/выпуск]
Датчик положения распределительного вала (CMPS) [ряд 1/выпуск]
71
Вход сигнала датчика положения распределительного вала (CMPS) [ряд 1/впуск]
Датчик положения распределительного вала (CMPS) [ряд 1/впускной]
72
-
?
73
Питание датчика (+5В)
Датчик положения распределительного вала (CMPS) [ряд 1/выпуск]
Датчик положения распределительного вала (CMPS) [ряд 2/впускной]
74
Выход управления катушкой зажигания (цилиндр № 5)
Катушка зажигания (цилиндр №5)
75
-
?
76
-
?
77
-
?
78
-
?
79
-
?
80
ETC Motor [+] управляющий выход
ЭТК Мотор
81
ETC Motor [-] управляющий выход
ЭТК Мотор
82
Подогреваемый кислородный датчик (HO2S) [ряд 1/датчик 2] Выход управления нагревателем
Датчик кислорода с подогревом (HO2S) [ряд 1/датчик 2]
83
Подогреваемый кислородный датчик (HO2S) [ряд 2/датчик 2] Выход управления нагревателем
Датчик кислорода с подогревом (HO2S) [ряд 2/датчик 2]
84
Выход управления клапаном регулирования давления топлива (FPCV)
Коробка привода инжектора (IDB)
85
Выход управления форсункой (цилиндр №2)
Коробка привода инжектора (IDB)
86
Выход управления форсункой (цилиндр №5)
Коробка привода инжектора (IDB)
87
Выход управления форсункой (цилиндр №3)
Коробка привода инжектора (IDB)
88
Выход управления форсункой (цилиндр №6)
Коробка привода инжектора (IDB)
89
Выход управления форсункой (цилиндр №4)
Коробка привода инжектора (IDB)
90
Выход управления форсункой (цилиндр №1)
Коробка привода инжектора (IDB)
91
Подогреваемый кислородный датчик (HO2S) [ряд 1/датчик 1] Выход управления нагревателем
Датчик кислорода с подогревом (HO2S) [ряд 1/датчик 1]
92
Подогреваемый кислородный датчик (HO2S) [ряд 2/датчик 1] Выход управления нагревателем
Датчик кислорода с подогревом (HO2S) [ряд 2/датчик 1]
93
Выход управления масляным регулирующим клапаном CVVT (OCV) [ряд 2/выхлоп]
Масляный регулирующий клапан CVVT (OCV) [ряд 2/выхлоп]
94
Выход управления масляным регулирующим клапаном CVVT (OCV) [ряд 1/выхлоп]
Клапан управления маслом CVVT (OCV) [ряд 1/выпуск]
95
Выход управления масляным регулирующим клапаном CVVT (OCV) [ряд 2/впуск]
Клапан управления маслом CVVT (OCV) [ряд 2/впуск]
96
Клапан управления маслом CVVT (OCV) [ряд 1/впуск] управляющий выход
Клапан управления маслом CVVT (OCV) [ряд 1/впуск]
97
Выход управления катушкой зажигания (цилиндр №2)
Катушка зажигания (цилиндр №2)
98
Выход управления катушкой зажигания (цилиндр № 6)
Катушка зажигания (цилиндр №6)
99
Выход управления катушкой зажигания (цилиндр № 4)
Катушка зажигания (цилиндр №4)
100
-
?

Входной/выходной сигнал терминала ECM
Соединитель [E100-A]
Пин №
Описание
Состояние
Тип
Уровень
1
-
?
?
?
2
-
?
?
?
3
-
?
?
?
4
-



5
Силовая земля
Праздный
ОКРУГ КОЛУМБИЯ
Макс. 0,1 В
6
Силовая земля
Праздный
ОКРУГ КОЛУМБИЯ
Макс. 0,1 В
7
-
?
?
?
8
-
?
?
?
9
2-й CAN [высокий]
Рецессивный
Пульс
2,0 ~ 3,0 В
Доминантный
2,75 ~ 4,5 В
10
МОЖЕТ [высокий]
Рецессивный
Пульс
2,0 ~ 3,0 В
Доминантный
2,75 ~ 4,5 В
11
Вход сигнала датчика давления в топливном баке (FTPS)
Праздный
Аналоговый
0,4 ~ 4,6 В
12
-



13
Входной сигнал реле давления масла
?
?
?
14
Питание датчика (+5В)
ИГ ВЫКЛ.
ОКРУГ КОЛУМБИЯ
Макс. 0,5 В
ЗАЖИГАНИЕ ВКЛЮЧЕНО
4,9 ~ 5,1 В
15
Питание датчика (+5В)
ИГ ВЫКЛ.
ОКРУГ КОЛУМБИЯ
Макс. 0,5 В
ЗАЖИГАНИЕ ВКЛЮЧЕНО
4,9 ~ 5,1 В
16
-



17
-
?
?
?
18
-
?
?
?
19
-
?
?
?
20
-



21
Вход сигнала переключателя тормоза 2
Тормоз выключен
ОКРУГ КОЛУМБИЯ
Напряжение батареи
Тормоз включен
Макс. 0,5 В
22
-
?
?
?
23
-
?
?
?
24
Вход сигнала ШИМ генератора [FR]
Праздный
ШИМ
Высокий: напряжение батареи
Низкий: макс. 2,0 В
133
5
25
-



26
-
?
?
?
27
Мощность батареи (В+)
ИГ ВЫКЛ.
ОКРУГ КОЛУМБИЯ
Напряжение батареи
ЗАЖИГАНИЕ ВКЛЮЧЕНО
Макс. 1,0 В
28
Входной сигнал датчика давления в рампе (RPS)
Праздный
ОКРУГ КОЛУМБИЯ
1,0 ~ 2,0 В
29
-
?
?
?
30
Силовая земля
Праздный
ОКРУГ КОЛУМБИЯ
Макс. 0,1 В
31
-
?
?
?
32
-
?
?
?
33
-
?
?
?
34
2-й CAN [Низкий]
Рецессивный
Пульс
2,0 ~ 3,0 В
Доминантный
0,5 ~ 2,25 В
35
МОЖЕТ [Низкий]
Рецессивный
Пульс
2,0 ~ 3,0 В
Доминантный
0,5 ~ 2,25 В
36
-
?
?
?
37
Масса датчика
Праздный
ОКРУГ КОЛУМБИЯ
Макс. 50 мВ
38
Датчик положения акселератора (APS) 1 вход сигнала
КТ
Аналоговый
0,7 ~ 0,8 В
В.О.Т.
3,85 ~ 4,35 В
39
-
?
?
?
40
-
?
?
?
41
-



42
-



43
Вход сигнала стоп-сигнала
Тормоз выключен
ОКРУГ КОЛУМБИЯ
Макс. 0,5 В
Тормоз включен
Напряжение батареи
44
-
?
?
?
45
-
?
?
?
46
-
?
?
?
47
-
?
?
?
48
-



49
-
?
?
?
50
-
?
?
?
51
-
?
?
?
52
Мощность батареи (В+)
Всегда (без ключа зажигания)
ОКРУГ КОЛУМБИЯ
Напряжение батареи
53
-
?
?
?
54
-
?
?
?
55
Силовая земля
Праздный
ОКРУГ КОЛУМБИЯ
Макс. 0,1 В
56
-
?
?
?
57
-



58
-
?
?
?
59
Масса датчика
Праздный
ОКРУГ КОЛУМБИЯ
Макс. 0,1 В
60
Масса датчика
Праздный
ОКРУГ КОЛУМБИЯ
Макс. 0,1 В
61
Масса датчика
Праздный
ОКРУГ КОЛУМБИЯ
Макс. 0,1 В
62
-



63
Масса датчика
Праздный
ОКРУГ КОЛУМБИЯ
Макс. 0,1 В
64
-
?
?
?
65
Питание датчика (+5В)
ИГ ВЫКЛ.
ОКРУГ КОЛУМБИЯ
Макс. 0,5 В
ЗАЖИГАНИЕ ВКЛЮЧЕНО
4,75 ~ 5,25 В
66
-



67
Вход сигнала датчика давления кондиционера (APT)
Кондиционер включен
Аналоговый
0,5 ~ 4,5 В
68
Вход сигнала датчика положения акселератора (APS) 2
КТ
Аналоговый
0,29 ~ 0,46 В
В.О.Т.
1,93 ~ 2,18 В
69
Входной сигнал датчика давления рулевого управления с усилителем (PSPS)
Операция
Аналоговый
0,3 ~ 4,53 В
70
Выходной сигнал частоты вращения двигателя
Двигатель работает
Пульс
Высокий: напряжение батареи
Низкий: макс. 1,1 В
0
47,5
71
Реле охлаждающего вентилятора [высокий] управляющий выход
Кондиционер включен
Пульс
Высокий: напряжение батареи
Низкий: макс. 1,1 В
72
Выход сигнала ШИМ генератора (COM)
ЗАЖИГАНИЕ ВКЛЮЧЕНО
ШИМ
Высокий: мин. 4,0 В
Низкий: макс. 2,0 В
Частота = 125 Гц
73
-
?
?
?
74
Линия связи иммобилайзера
Передача
ОКРУГ КОЛУМБИЯ
Высокий: мин. Вбат Х 80%
Низкий: макс. Вбат Х 20%
Получение
Высокий: мин. Вбат Х 70%
Низкий: макс. Вбат Х 30%
75
Мощность батареи (В+)
ИГ ВЫКЛ.
ОКРУГ КОЛУМБИЯ
Напряжение батареи
ЗАЖИГАНИЕ ВКЛЮЧЕНО
Макс. 1,0 В
76
-
?
?
?
77
Мощность батареи (В+)
Всегда (без ключа зажигания)
ОКРУГ КОЛУМБИЯ
Напряжение батареи
78
-



79
-
?
?
?
80
Силовая земля
Праздный
ОКРУГ КОЛУМБИЯ
Макс. 0,1 В
81
-
?
?
?
82
-
?
?
?
83
-
?
?
?
84
-
?
?
?
85
-
?
?
?
86
-
?
?
?
87
LIN (локальная сеть межсоединений) Линия последовательной шины
Передача
ОКРУГ КОЛУМБИЯ
Высокий: мин. Вбат Х 80%
Низкий: макс. Вбат Х 20%
Получение
Высокий: мин. Вбат Х 70%
Низкий: макс. Вбат Х 30%
88
-
?
?
?
89
-
?
?
?
90
Питание датчика (+5В)
ИГ ВЫКЛ.
ОКРУГ КОЛУМБИЯ
Макс. 0,5 В
ЗАЖИГАНИЕ ВКЛЮЧЕНО
4,75 ~ 5,25 В
91
-



92
-
?
?
?
93
Выход управления реле стартера
Реле ВЫКЛ.
ОКРУГ КОЛУМБИЯ
Напряжение батареи
Реле на
Макс. 1,1 В
94
Выход управления главным реле
Реле ВЫКЛ.
ОКРУГ КОЛУМБИЯ
Напряжение батареи
Реле на
Макс 1,7 В
95
Выход управления реле топливного насоса
Реле ВЫКЛ.
ОКРУГ КОЛУМБИЯ
Напряжение батареи
Реле на
Макс. 1,0 В
96
Выход управления клапаном закрытия адсорбера (CCV)
Активный
Пульс
Высокий: напряжение батареи
Неактивный
Низкий: макс. 1,0 В
?
Vпик: Макс. 70В
97
-
?
?
?
98
Двухступенчатый масляный насос
?
?
?
99
Мощность батареи (В+)
ИГ ВЫКЛ.
ОКРУГ КОЛУМБИЯ
Напряжение батареи
ЗАЖИГАНИЕ ВКЛЮЧЕНО
Макс. 1,0 В
100
Мощность батареи (В+)
ИГ ВЫКЛ.
ОКРУГ КОЛУМБИЯ
Напряжение батареи
ЗАЖИГАНИЕ ВКЛЮЧЕНО
Макс. 1,0 В

Соединитель [C100-B]
Пин №
Описание
Состояние
Тип
Уровень
1
-
?
?
?
2
-



3
-
?
?
?
4
-
?
?
?
5
Питание датчика (+5В)
ИГ ВЫКЛ.
ОКРУГ КОЛУМБИЯ
Макс. 0,5 В
ЗАЖИГАНИЕ ВКЛЮЧЕНО
4,75 ~ 5,25 В
6
Питание датчика (+5В)
ИГ ВЫКЛ.
ОКРУГ КОЛУМБИЯ
Макс. 0,5 В
ЗАЖИГАНИЕ ВКЛЮЧЕНО
4,75 ~ 5,25 В
7
-
?
?
?
8
Выходной сигнал запроса запуска
ПО ВЫКЛ.
ОКРУГ КОЛУМБИЯ
Макс. 1,0 В
З/В ВКЛ.
Напряжение батареи
9
Вход сигнала датчика барометрического давления (BPS)
ЗАЖИГАНИЕ ВКЛЮЧЕНО
Аналоговый
прибл. 4,0 В
10
Вход сигнала датчика температуры масла CVVT (OTS)
ЗАЖИГАНИЕ ВКЛЮЧЕНО
Аналоговый
3,2 В при -40°C (-40°F)
0,1 В при 150°C (302°F)
11
-



12
Датчик положения дроссельной заслонки (TPS) 1 сигнальный вход
КТ
Аналоговый
0,25 ~ 0,9 В
В.О.Т.
Мин. 4,0 В
13
Вход сигнала датчика абсолютного давления в коллекторе (MAPS)
ЗАЖИГАНИЕ ВКЛЮЧЕНО
Аналоговый
прибл. 4,44 В
Праздный
прибл. 0,75 В
14
Вход сигнала датчика температуры впускного воздуха (IATS)
ЗАЖИГАНИЕ ВКЛЮЧЕНО
Аналоговый
3,2 В при -40°C (-40°F)
0,05 В при 125°C (257°F)
15
Вход сигнала скорости автомобиля
Транспортное средство работает
Пульс
Высокий: напряжение батареи
Низкий: макс. 0,5 В
0,7 (1 км/ч)
44
16
Датчик детонации (KS) [Банк 2] [Высокий] вход сигнала
стук
Переменная
-0,3 ~ 0,3 В
Нормальный
Частота

17
Датчик детонации (KS) [Банк 1] [Высокий] вход сигнала
стук
Переменная
-0,3 ~ 0,3 В
Нормальный
Частота

18
Датчик положения коленчатого вала (CKPS) [высокий] входной сигнал
Праздный
СИНУС
0,4
Волна
55
19
-



20
-



21
Вход сигнала датчика положения распределительного вала (CMPS) [ряд 2/впуск]
Праздный
Пульс
Высокий: 3,2 ~ В пост. тока
Низкий: макс. 0,7 В
0
22
-
?
?
?
23
-
?
?
?
24
Выход управления катушкой зажигания (цилиндр №1)
Двигатель работает
Пульс
Vпик = 400 В
0
25
-
?
?
?
26
-
?
?
?
27
-
?
?
?
28
-
?
?
?
29
-
?
?
?
30
-
?
?
?
31
Масса датчика
Праздный
ОКРУГ КОЛУМБИЯ
Макс. 0,1 В
32
Масса датчика
Праздный
ОКРУГ КОЛУМБИЯ
Макс. 0,1 В
33
Масса датчика
Праздный
ОКРУГ КОЛУМБИЯ
Макс. 0,1 В
34
Вход сигнала датчика положения дроссельной заслонки (TPS) 2
КТ
Аналоговый
Мин. 4,0 В
В.О.Т.
0,25 ~ 0,9 В
35
Вход сигнала датчика температуры охлаждающей жидкости двигателя (ECTS)
ЗАЖИГАНИЕ ВКЛЮЧЕНО
Аналоговый
3,22 В при -40°C (-40°F)
0,29 В при 125°C (257°F)
36
-
?
?
?
37
-
?
?
?
38
Подогреваемый кислородный датчик (HO2S) [ряд 1/датчик 1] сигнальный вход
БОГАТЫЙ
Аналоговый
Мин. 0,8 В
НАКЛОНЯТЬ
Макс. 0,1 В
39
Масса датчика
Праздный
ОКРУГ КОЛУМБИЯ
Макс. 0,1 В
40
Сенсорный экран
Праздный
ОКРУГ КОЛУМБИЯ
Макс. 0,1 В
41
Датчик детонации (KS) [Банк 2] [Низкий] вход сигнала
стук
Переменная
-0,3 ~ 0,3 В
Нормальный
Частота

42
Датчик детонации (KS) [Банк 1] [Низкий] вход сигнала
стук
Переменная
-0,3 ~ 0,3 В
Нормальный
Частота

43
Датчик положения коленчатого вала (CKPS) [Низкий] входной сигнал
Праздный
СИНУС
0,4
Волна
55
44
Масса датчика
Праздный
ОКРУГ КОЛУМБИЯ
Макс. 0,1 В
45
-
?
?
?
46
Вход сигнала датчика положения распределительного вала (CMPS) [ряд 2/выпуск]
Праздный
Пульс
Высокий: 3,2 ~ В пост. тока
Низкий: макс. 0,7 В
0
47
-
?
?
?
48
Питание датчика (+5В)
ИГ ВЫКЛ.
ОКРУГ КОЛУМБИЯ
Макс. 0,5 В
ЗАЖИГАНИЕ ВКЛЮЧЕНО
4,75 ~ 5,25 В
49
Выход управления катушкой зажигания (цилиндр №3)
Двигатель работает
Пульс
Vпик = 400 В
0
50
-
?
?
?
51
-
?
?
?
52
-
?
?
?
53
-
?
?
?
54
-
?
?
?
55
-
?
?
?
56
Масса датчика
Праздный
ОКРУГ КОЛУМБИЯ
Макс. 0,1 В
57
-
?
?
?
58
Подогреваемый кислородный датчик (HO2S) [ряд 2/датчик 2] сигнальный вход
БОГАТЫЙ
Аналоговый
Мин. 0,8 В
НАКЛОНЯТЬ
Макс. 0,1 В
59
Датчик кислорода с подогревом (HO2S) [ряд 1/датчик 2] входной сигнал
БОГАТЫЙ
Аналоговый
Мин. 0,8 В
НАКЛОНЯТЬ
Макс. 0,1 В
60
Масса датчика
Праздный
ОКРУГ КОЛУМБИЯ
Макс. 0,1 В
61
-
?
?
?
62
-
?
?
?
63
Подогреваемый кислородный датчик (HO2S) [ряд 2/датчик 1] сигнальный вход
БОГАТЫЙ
Аналоговый
Мин. 0,8 В
НАКЛОНЯТЬ
Макс. 0,1 В
64
Масса датчика
Праздный
ОКРУГ КОЛУМБИЯ
Макс. 0,1 В
65
Выход управления электромагнитным клапаном 1 регулируемого впуска (VIS)
Двигатель работает
ШИМ
Высокий: напряжение батареи
Низкий: макс. 1,1 В
66
Выход управления электромагнитным клапаном управления продувкой (PCSV)
Двигатель работает
ШИМ
Высокий: напряжение батареи
Низкий: макс. 1,0 В
67
-
?
?
?
68
-
?
?
?
69
Выход управления электромагнитным клапаном 2 регулируемого впуска (VIS)



70
Вход сигнала датчика положения распределительного вала (CMPS) [ряд 1/выпуск]
Праздный
Пульс
Высокий: 3,2 ~ В пост. тока
Низкий: макс. 0,7 В
0
71
Вход сигнала датчика положения распределительного вала (CMPS) [ряд 1/впуск]
Праздный
Пульс
Высокий: 3,2 ~ В пост. тока
Низкий: макс. 0,7 В
0
72
-
?
?
?
73
Питание датчика (+5В)
ИГ ВЫКЛ.
ОКРУГ КОЛУМБИЯ
Макс. 0,5 В
ЗАЖИГАНИЕ ВКЛЮЧЕНО
4,75 ~ 5,25 В
74
Выход управления катушкой зажигания (цилиндр № 5)
Двигатель работает
Пульс
Vпик = 400 В
0
75
-
?
?
?
76
-
?
?
?
77
-
?
?
?
78
-
?
?
?
79
-
?
?
?
80
ETC Motor [+] управляющий выход
Двигатель работает
ШИМ
Высокий: напряжение батареи
Низкий: макс. 1,0 В
1500
0
81
ETC Motor [-] управляющий выход
Двигатель работает
ШИМ
Высокий: напряжение батареи
Низкий: макс. 1,0 В
1500
0
82
Подогреваемый кислородный датчик (HO2S) [ряд 1/датчик 2] Выход управления нагревателем
Двигатель работает
ШИМ
Высокий: напряжение батареи
Низкий: макс. 1,15 В
0
83
Подогреваемый кислородный датчик (HO2S) [ряд 2/датчик 2] Выход управления нагревателем
Двигатель работает
ШИМ
Высокий: напряжение батареи
Низкий: макс. 1,15 В
0
84
Выход управления клапаном регулирования давления топлива (FPCV)
?
?
?
85
Выход управления форсункой (цилиндр №2)
Двигатель работает
ШИМ
Высокий: напряжение батареи
Низкий: макс. 1,0 В
0
47
86
Выход управления форсункой (цилиндр №5)
Двигатель работает
ШИМ
Высокий: напряжение батареи
Низкий: макс. 1,0 В
0
47
87
Выход управления форсункой (цилиндр №3)
Двигатель работает
ШИМ
Высокий: напряжение батареи
Низкий: макс. 1,0 В
0
47
88
Выход управления форсункой (цилиндр №6)
Двигатель работает
ШИМ
Высокий: напряжение батареи
Низкий: макс. 1,0 В
0
47
89
Выход управления форсункой (цилиндр №4)
Двигатель работает
ШИМ
Высокий: напряжение батареи
Низкий: макс. 1,0 В
0
47
90
Выход управления форсункой (цилиндр №1)
Двигатель работает
ШИМ
Высокий: напряжение батареи
Низкий: макс. 1,0 В
0
47
91
Подогреваемый кислородный датчик (HO2S) [ряд 1/датчик 1] Выход управления нагревателем
Двигатель работает
ШИМ
Высокий: напряжение батареи
Низкий: макс. 1,15 В
0
92
Подогреваемый кислородный датчик (HO2S) [ряд 2/датчик 1] Выход управления нагревателем
Двигатель работает
ШИМ
Высокий: напряжение батареи
Низкий: макс. 1,15 В
0
93
Выход управления масляным регулирующим клапаном CVVT (OCV) [ряд 2/выхлоп]
Двигатель работает
ШИМ
Высокий: напряжение батареи
Низкий: макс. 1,0 В
Частота = 128 Гц
0
94
Выход управления масляным регулирующим клапаном CVVT (OCV) [ряд 1/выхлоп]
Двигатель работает
ШИМ
Высокий: напряжение батареи
Низкий: макс. 1,0 В
Частота = 128 Гц
0
95
Выход управления масляным регулирующим клапаном CVVT (OCV) [ряд 2/впуск]
Двигатель работает
ШИМ
Высокий: напряжение батареи
Низкий: макс. 1,0 В
Частота = 128 Гц
0
96
Клапан управления маслом CVVT (OCV) [ряд 1/впуск] управляющий выход
Двигатель работает
ШИМ
Высокий: напряжение батареи
Низкий: макс. 1,0 В
Частота = 128 Гц
0
97
Выход управления катушкой зажигания (цилиндр №2)
Двигатель работает
Пульс
Vпик = 400 В
0
98
Выход управления катушкой зажигания (цилиндр № 6)
Двигатель работает
Пульс
Vпик = 400 В
0
99
Выход управления катушкой зажигания (цилиндр № 4)
Двигатель работает
Пульс
Vпик = 400 В
0
100
-
?
?
?

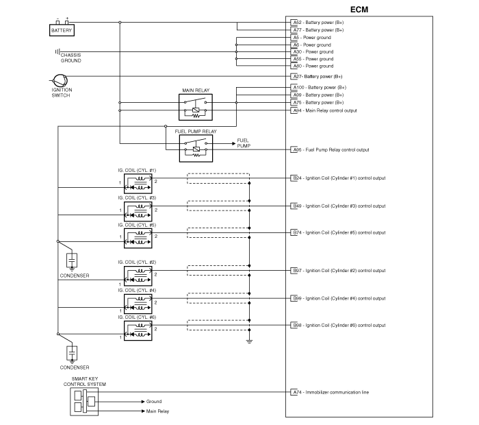
Принципиальная электрическая схема

Компоненты и расположение компонентов
Расположение компонентов 1. ECM (модуль управления двигателем)2. Датчик барометрического давления (ДДД)3. Датчик температуры впускного воздуха (IATS)4. Датчик абсолютного давления во впускном коллекторе (MAPS)5. Температура охлаждающей жидкости двигателя...
Модуль управления двигателем (ECM) Процедуры ремонта
Удаление Для автомобиля, оборудованного иммобилайзером, процедуры, показанные ниже, должны быть выполнены после замены модуля ECM. [В случае установки бывшего в употреблении ECM] 1) Перфо...
Дополнительная информация:

Hyundai Genesis (DH) 2013-2016 Руководство по техническому обслуживанию: Порядок ремонта


Экономия на инициализации и обучении Вся инициализация и настройка PTM не может быть выполнена с помощью диагностического инструмента (GDS). Им нужно управлять вручную. Инициализация и сохранение стоимости обучения — это работы, направленные на уменьшить вариации частей, составляющих ...

Hyundai Genesis (DH) 2013-2016 Руководство по обслуживанию: Технические характеристики клапана закрытия адсорбера (CCV)


Спецификация Сопротивление катушки (?) 23,0 ~ 26,0 (20°C) ...