Hyundai Elantra: схематические схемы системы смарт-ключа / блока смарт-ключа

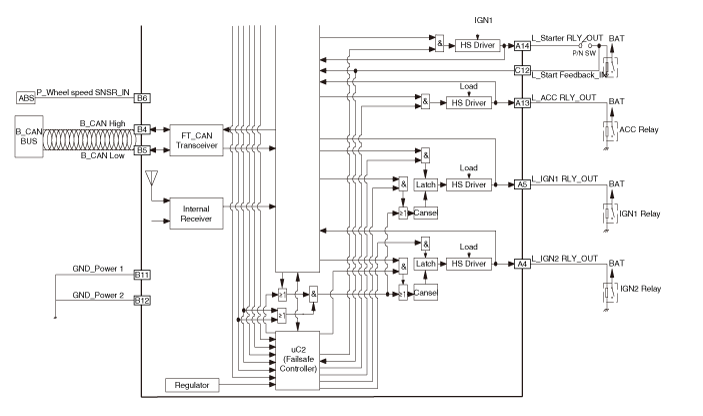
Принципиальная электрическая схема

Компоненты блока смарт-ключа и расположение компонентов
Компоненты (1) NoConnector AConnector BConnector C1BAT (+)_SignalДверная антенна водителя_GND-2BAT (+)_PowerДверная антенна водителя_Power-3IGN 1--4IGN 2_Релейный выходB-CAN (High)SSB LED (OFF)5IGN 1_Rel ...
Процедуры ремонта блока смарт-ключа
Удаление Блок смарт-ключа 1. Отсоедините отрицательную (-) клемму аккумуляторной батареи. 2. Снимите перчаточный ящик. (См. Кузов — «Верхняя крышка перчаточного ящика в сборе») 3. Извлеките блок смарт-ключа (A) после...
Дополнительная информация:

Hyundai Elantra AD (2016-2020) Руководство по техническому обслуживанию: Процедуры ремонта двигателя и коробки передач в сборе
Удаление • Используйте накладки на крылья, чтобы не повредить окрашенные поверхности. • Во избежание повреждений осторожно отсоединяйте разъемы проводки, удерживая часть разъема. • Пометьте все провода и шланги, чтобы избежать неправильного соединения. • Для отн...

Hyundai Elantra AD (2016-2020) Руководство по техническому обслуживанию: Процедуры ремонта под кожухом Crash Pad
Замена • Наденьте перчатки, чтобы не поранить руки. • При удалении с помощью плоской отвертки или съемника оберните инструменты защитной лентой, чтобы предотвратить повреждение компонентов. • Используйте инструмент для снятия пластиковой панели, чтобы удалить внутреннюю ...