Hyundai Elantra: BCM (модуль управления кузовным оборудованием) / принципиальные схемы

Принципиальная электрическая схема

Компоненты и расположение компонентов
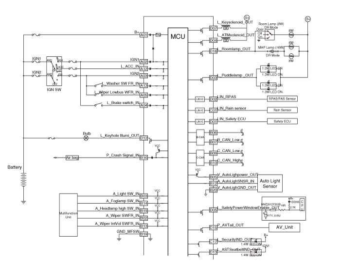
Компоненты НетРазъем AРазъем BРазъем CРазъем D1Батт (+)IGNДатчик дождя (LIN)Блок подушки безопасности (LIN)2IGN 1Переключатель переднего стеклоочистителя (высокий)-RPAS (LIN)3IGN 2Выключатель света-Лампа4B ...
Описание и работа
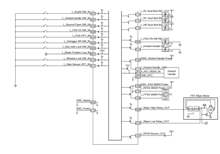
Описание Функция модуля управления кузовным оборудованием (BCM) NoItemDescription1Стиральная машина, связанная с шайбой - Если переключатель омывателя нажат на 0,06~0,2 секунды с режим автомобиля в IGN2, реле дворников ...
Дополнительная информация:

Hyundai Elantra AD (2016-2020) Руководство по обслуживанию: Компоненты и расположение компонентов
Расположение компонента 1. Выключатель капота2. Грабительский рог 3. БКМ4. Зуммер блокировки/разблокировки двери 5. Выключатель передней двери 6. Выключатель задней двери...

Hyundai Elantra AD (2016-2020) Руководство по обслуживанию: Компоненты центральной панели приборов и расположение компонентов
Расположение компонентов 1. Центральная панель ...