Hyundai Elantra: система автономного экстренного торможения (AEB) / принципиальные схемы

Принципиальная схема

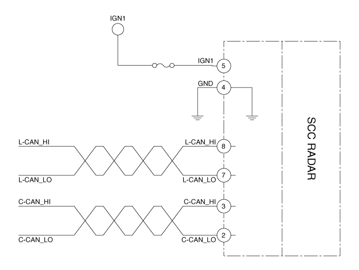
Терминал Функция

НЕТ.
Функция
1
-
2
C-CAN Низкий уровень
3
C-CAN Высокий
4
ЗАЗЕМЛЕНИЕ
5
IGN_1
6
-
7
L-CAN Низкий
8
L-CAN Высокий

Компоненты и расположение компонентов
Компоненты Ниже приведена конфигурация системы AEB. - Устройство обнаружения (радар и камера), которое может распознавать потенциальные препятствия впереди. - Человеко-машинный интерфейс (ЧМИ) т ...
Процедуры ремонта
Удаление Радар AEB 1. Выключите зажигание и отсоедините кабель аккумуляторной батареи (-). 2. Снимите кожух переднего бампера (Кузов - см. «передний бампер») 3. Отключите радар AEB...
Дополнительная информация:

Hyundai Elantra AD (2016-2020) Руководство по эксплуатации: Меры предосторожности зимой
Используйте высококачественную охлаждающую жидкость на основе этиленгликоля. Ваш автомобиль поставляется с высококачественной охлаждающей жидкостью на основе этиленгликоля. система. Это единственный тип охлаждающей жидкости, который следует использовать, поскольку он помогает предотвратить коррозии в системе охлаждения, смазывает водяной насос и предотвращает замерзание. Быть ...

Hyundai Elantra AD (2016-2020) Руководство по обслуживанию: Принципиальные схемы дистанционного управления аудиосистемой
Принципиальная электрическая схема [Аудио + B/Зуб + Голос] [Путешествие] [Поездка / Круиз] [Поездка/Круиз/Умный круиз] ...