Hyundai Elantra: электрические стеклоподъемники / электрические схемы переключателей стеклоподъемников

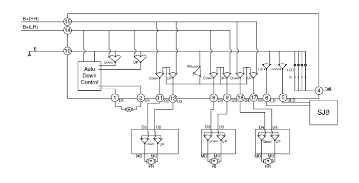
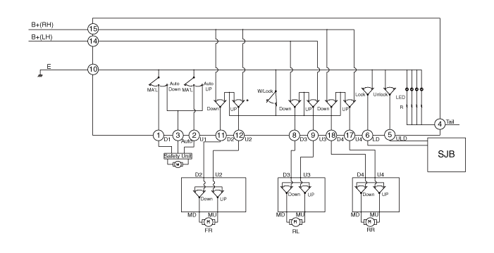
Принципиальная электрическая схема
Переключатель стеклоподъемника водителя
[Переключатель стеклоподъемника водителя (безопасность)]

[Переключатель стеклоподъемника водителя (автоматическое опускание)]

Вспомогательный переключатель стеклоподъемников

Переключатель заднего стеклоподъемника
[Переключатель заднего стеклоподъемника (ручной)]

[Переключатель заднего стеклоподъемника (ручной + подогрев сиденья)]

Компоненты переключателя стеклоподъемников и их расположение
Компоненты [Переключатель стеклоподъемника водителя] [Вспомогательное переключение стеклоподъемников] [Переключатель заднего стеклоподъемника] ...
Процедуры ремонта переключателя стеклоподъемника
осмотр [Переключатель стеклоподъемника водителя] 1. Отсоедините отрицательную (-) клемму аккумуляторной батареи. 2. Снимите обивку водительской двери. (См. Кузов — «Облицовка передней двери») 3. Отключите питание зеркала...
Дополнительная информация:

Hyundai Elantra AD (2016-2020) Руководство по обслуживанию: Описание и работа
Описание Умная система круиз-контроля позволяет водителю запрограммировать транспортное средство для контроля скорости и следующего расстояния, обнаруживая автомобиль впереди без нажатия педали тормоза и акселератора педаль. 1. Круиз-контроль скорости: Автомобиль поддерживает выбранную скорость, если ...

Hyundai Elantra AD (2016-2020) Руководство по эксплуатации: Система беспроводной зарядки сотового телефона
[A]: световой индикатор, [B]: зарядная панель В некоторых моделях автомобиль оснащен беспроводным сотовым телефоном. зарядное устройство. Система доступна, когда все двери закрыты, а замок зажигания включен. Для зарядки сотового телефона Беспроводная система зарядки сотового телефона заряжает...