Hyundai Elantra: электрические стеклоподъемники / электростеклоподъемники принципиальные схемы

Принципиальная электрическая схема

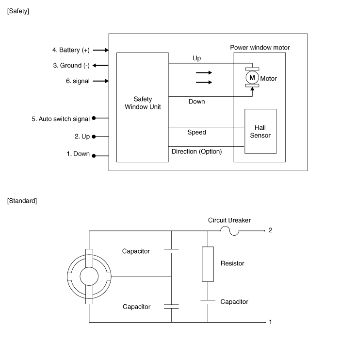
Компоненты электродвигателя стеклоподъемника и расположение компонентов
Компоненты ...
Процедуры ремонта электродвигателя стеклоподъемника
осмотр • Оберните защитной лентой инструмент для разборки с помощью отвертки или съемника. • Соблюдайте осторожность при хранении и обращении во время разборки/сборки ...
Дополнительная информация:

Hyundai Elantra AD (2016-2020) Руководство по обслуживанию: блок-схема
Схема потока энергии P,NUD/BLR/B26/B35R/COD/COWC? ? Направление вращения Активация нижнего и заднего тормоза (LR/B) > Overdrive (O/D) Блокировка ступицы > Средняя и задняя блокировка P/C ?Вращение входного вала > Вращение задней солнечной шестерни > Задняя внутренняя Вращение шестерни (задний ход) > Вращение задней внешней шестерни > R ...

Hyundai Elantra AD (2016-2020) Руководство по техническому обслуживанию: Компоненты и расположение компонентов головного устройства AVN (аудио-видео навигации)
Компоненты Информация о выводах разъема NoConnector AConnector BConnector C1-Multmedia-CAN (High)Chassis-CAN (Low)2--Chassis-CAN (High)3---4-Пульт дистанционного управления на рулевом колесе-5SPDIF Shield GND--6SPDIF (+)Сигнал клавиатуры MTS- 7---8Подсветка (+)Вход AUX R-9-Мультимедийный разъем (GND)- 10-MIC (+)-11-Batt...