Hyundai Elantra: дверные зеркала с электроприводом / принципиальные схемы переключателей дверных зеркал с электроприводом

Hyundai Elantra AD (2016-2020) Руководство по ремонту / Электрическая система кузова / Зеркала с электроприводом / Принципиальные схемы переключателей зеркал заднего вида с электроприводом

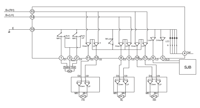
Принципиальная электрическая схема

Компоненты переключателя зеркала заднего вида с электроприводом и расположение компонентов
Компоненты ...
Процедуры ремонта переключателя зеркала заднего вида с электроприводом
осмотр [Переключатель стеклоподъемника] 1. Отсоедините отрицательную (-) клемму аккумуляторной батареи. 2. Снимите обивку водительской двери. (См. Кузов — «Облицовка передней двери») 3. Отключите выключатель электропривода зеркал...
Дополнительная информация:

Hyundai Elantra AD (2016-2020) Руководство по обслуживанию: Описание и работа
Описание - Система AEB предназначена для того, чтобы помочь избежать потенциального столкновения или уменьшить его влияние, когда водители применяют неадекватные, задержанные или не тормозят вообще, чтобы избежать столкновения. - Система определяет факторы риска на дороге с помощью датчик лобового удара и предупреждает водителя о...

Hyundai Elantra AD (2016-2020) Руководство по эксплуатации: Электростеклоподъемники
Выключатель зажигания должен быть в положении ON, чтобы иметь возможность поднимать или опускать окна. У каждой двери есть переключатель Power Window для управления окном этой двери. у водителя есть переключатель блокировки стеклоподъемников, который может блокировать работу пассажирского окна. Электрические стеклоподъемники будут работать примерно ...