Hyundai Elantra: индикаторы и датчики / схемы комбинации приборов

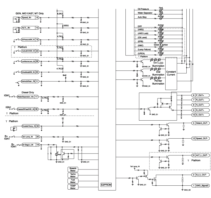
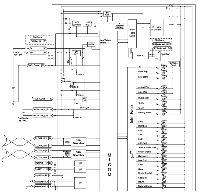
Принципиальная электрическая схема
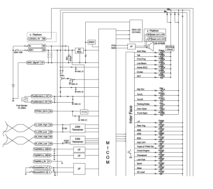
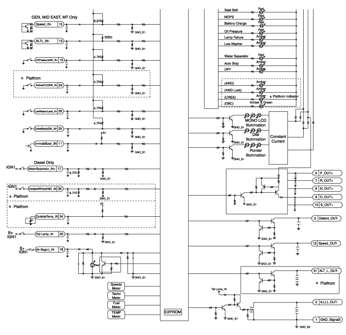
[Общий стандарт]

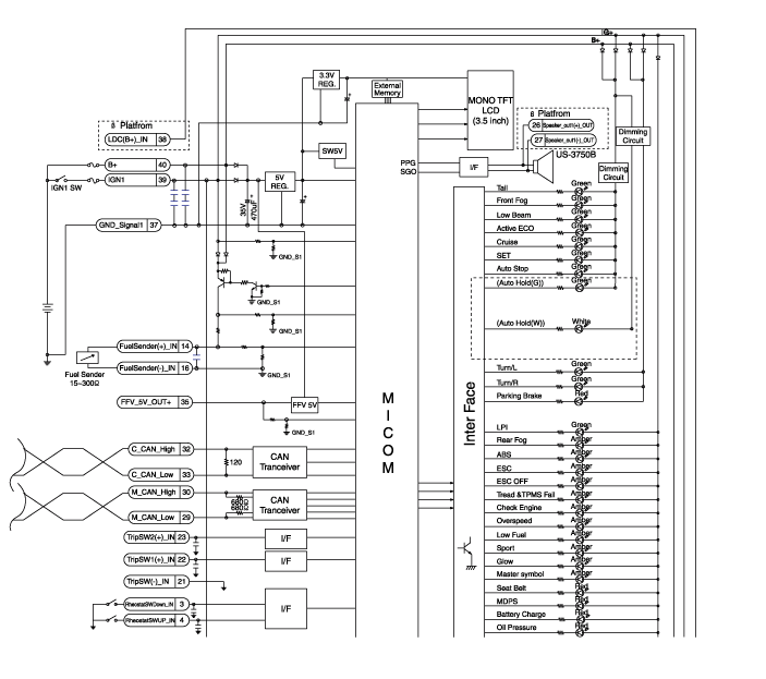
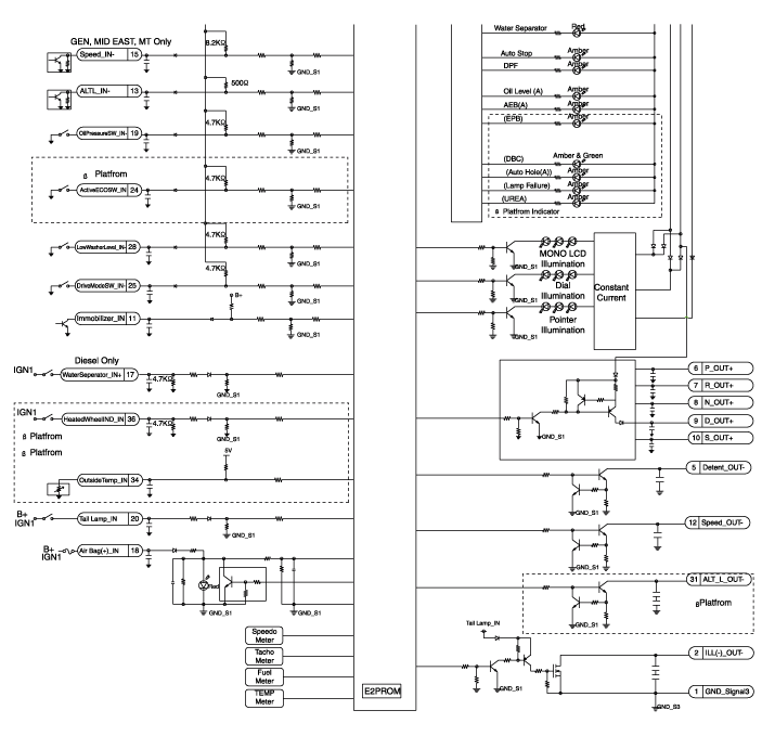
[Тип МОНО]

[Общий надзор]

Компоненты комбинации приборов и расположение компонентов
Компоненты [Общий стандартный тип (3,5-дюймовый OLED-экран)] [Тип МОНО (3,5")] [Общий тип Super Vision (4,2-дюймовый ЖК-дисплей)] Информация о выводах разъема NoDescriptionNoDescription1GND21Выключатель (-)2Подсветка ( ...
Описание и работа комбинации приборов
Описание Схема сети связи АббревиатураРасшифровкаACUБлок управления подушками безопасностиADMAМодуль вспомогательной двериB_CANBody Controller Area NetworkBCMМодуль управления кузовомBSDBОбнаружение слепых зонC_CANCha ...
Дополнительная информация:

Hyundai Elantra AD (2016-2020) Руководство по техническому обслуживанию: Подогреваемый кислородный датчик (HO2S), описание и работа
Описание Датчик кислорода с подогревом (HO2S) состоит из циркония и оксида алюминия. и устанавливается как до, так и после каталитического Конвертер. Он меняется в зависимости от соотношения воздух/топливо. Для нормальной работы датчик должен быть горячим. Хранить горячо, датчик с подогревом...

Hyundai Elantra AD (2016-2020) Руководство по обслуживанию: Описание и работа
Описание LKAS (система помощи при удержании полосы движения): система предназначена для помочь распознать полосу движения впереди и подать предупреждение о выходе из полосы движения когда транспортное средство начинает съезжать с полосы движения, используя изображение с камеры и информацию о сигнале транспортного средства. Типичные рабочие условия контроллера LKAS ...