Hyundai Elantra: передние/задние системы помощи при парковке/передние и задние системы помощи при парковке, схематические схемы переключателей

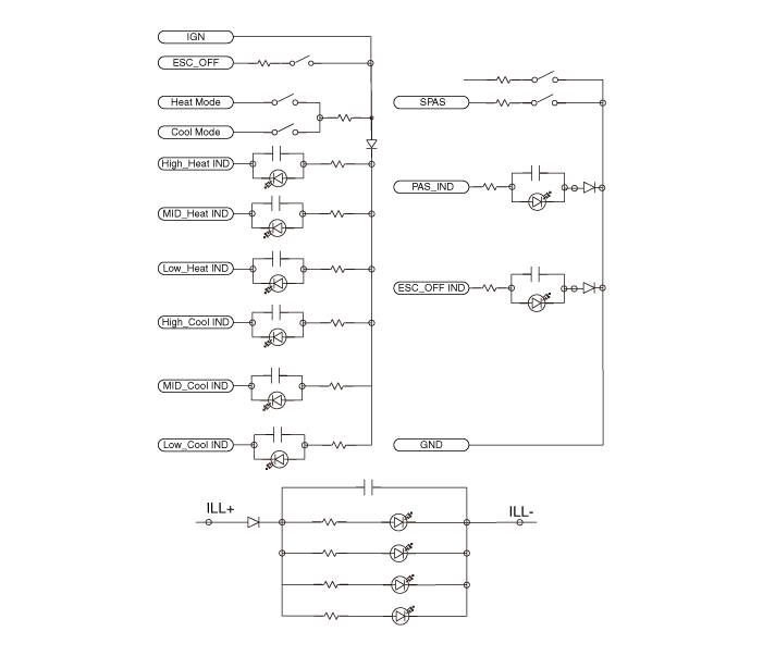
Принципиальная электрическая схема
[Тип автоматической коробки передач]

Передний задний переключатель системы помощи при парковке Компоненты и расположение компонентов
Компонент [Тип автоматической коробки передач] ...
Передний и задний переключатель системы помощи при парковке Процедуры ремонта
Удаление • Наденьте перчатки, чтобы не поранить руки. • При снятии с помощью плоской отвертки или съемника оберните защитной лентой вокруг ...
Дополнительная информация:

Hyundai Elantra AD (2016-2020) Руководство по техническому обслуживанию: Процедуры ремонта наружного зеркала заднего вида
Замена • Наденьте перчатки, чтобы не поранить руки. • При удалении с помощью плоской отвертки или съемника оберните инструменты защитной лентой, чтобы предотвратить повреждение компонентов. • Будьте осторожны, чтобы не поцарапать поверхность корпуса. ...

Hyundai Elantra AD (2016-2020) Руководство по техническому обслуживанию: Процедуры ремонта напорной трубы
Удаление 1. Выключите зажигание и отсоедините отрицательный (-) кабель аккумуляторной батареи. 2. Сбросьте остаточное давление в топливопроводе. (См. Система подачи топлива — «Сбросьте остаточное давление в топливопроводе») • При снятии реле бензонасоса появляется Диагностический Тр...