Hyundai Elantra: Вентилятор / Резистор вентилятора (Руководство) Процедуры ремонта

осмотр
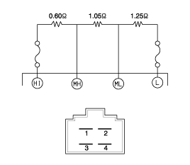
1.
Измерьте сопротивление между клеммами.
2.
Измеренное сопротивление не соответствует спецификации, необходимо заменить резистор вентилятора. (после снятия резистора)

Замена
1.
Отсоедините отрицательную (-) клемму аккумуляторной батареи.
2.
Снимите центральную панель аварийной подушки.
(См. Кузов — «Центральная панель аварийной площадки»)
3.
Снимите душевой патрубок со стороны пассажира (А), предварительно ослабив винт.

4.
Отсоедините разъем (А), а затем снимите резистор вентилятора (В), предварительно ослабив крепежные винты.

5.
Для установки выполните процедуру удаления в обратном порядке.
Процедуры ремонта Power Mosfet
осмотр 1. Включите зажигание. 2. Вручную задействуйте переключатель управления и измерьте напряжение электродвигателя вентилятора. 3. Выберите переключатель управления, чтобы поднять напряжение до высокого ...
Описание и работа воздушного фильтра климат-контроля
Описание Воздушный фильтр климат-контроля находится в блоке вентилятора. Удаляет посторонние вещества и запах. Фильтр твердых частиц выполняет роль фильтра запаха, а также условного ...
Дополнительная информация:

Hyundai Elantra AD (2016-2020) Руководство по эксплуатации: Карман в спинке сиденья
Карман в спинке сиденья расположен на задней стороне спинки сиденья переднего пассажира. ПРЕДУПРЕЖДЕНИЕ Во избежание сбоев в работе системы классификации пассажиров: Не висите на спинке сиденья переднего пассажира. ОСТОРОЖНОСТЬ Не кладите тяжелые или острые предметы в карманы спинки сиденья. В аварии...

Hyundai Elantra AD (2016-2020) Руководство по техническому обслуживанию: Процедуры ремонта реле стартера
осмотр 1. Выключите зажигание и отсоедините отрицательный (-) кабель аккумуляторной батареи. 2. Снимите крышку блока предохранителей. 3. Снимите реле стартера (А). 4. С помощью омметра проверьте непрерывность между каждой клеммой. ТерминалContinuity30 - 87NO85 - 86ДА 5. Подать 12В...