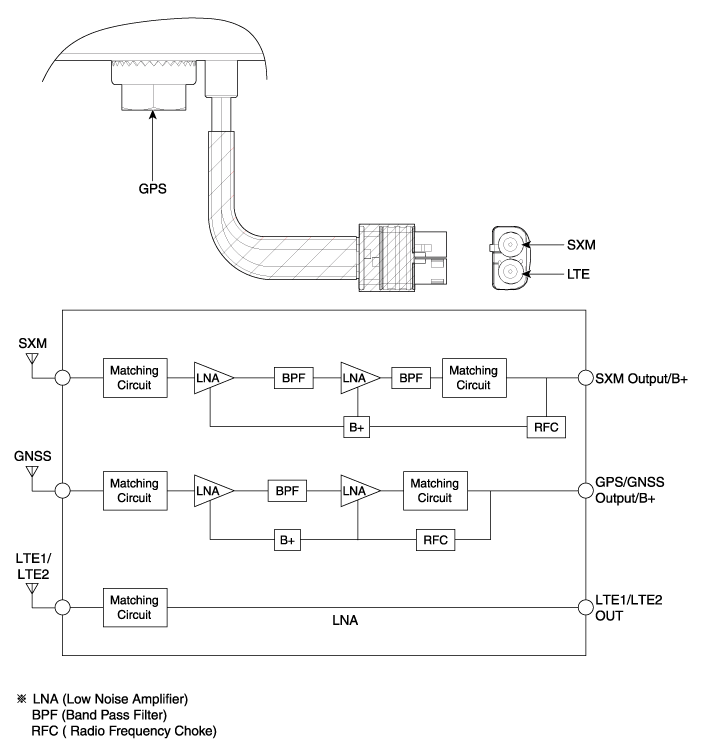
Hyundai Elantra: Система AVN / Компоненты антенны AVN и расположение компонентов

Компоненты
[SXM]

[SXM + GPS]

[SXM + GPS + LTE]

Процедуры ремонта пульта дистанционного управления AVN
осмотр 1. Проверьте сопротивление между клеммами в каждом положении переключателя (левое). [Л: Аудио + Громкая связь] ПереключательКонтакт разъемаСопротивление(±5%)SEEK Up2-5430 ?SEEK Down1.11 k?MODE2.11 k?MUT ...
Процедуры ремонта антенны AVN
Удаление Антенна на крыше 1. Отсоедините отрицательную (-) клемму аккумуляторной батареи. 2. Снимите обшивку крыши. (См. Кузов — «Обшивка крыши в сборе») 3. Отсоедините разъем антенны на крыше (А). 4. ...
Дополнительная информация:

Hyundai Elantra AD (2016-2020) Руководство по эксплуатации: Дополнительные функции климат-контроля
Автоматическая вентиляция (при наличии) Когда ключ зажигания находится в положении ON или при работающем двигателе и температура ниже 59°F (15°C) при выбранном положении рециркуляции воздуха более пяти минут положение воздухозаборника автоматически изменится на снаружи (свежий) ...

Hyundai Elantra AD (2016-2020) Руководство по обслуживанию: Технические характеристики генератора
Спецификация ДетальСпецификацияНоминальное напряжение 13,5 В, 150 А Скорость при использовании 1000 ~ 18 000 об/мин Регулятор напряжения IC Регулятор встроенного типа Настройка регулятора Напряжение Внешний режим См. график ниже Внутренний режим 14,55 ± 0,3 В Градиент температуры Внешний режим 0 ± 3 мВ / ...